2.1.9.3. Испытание на растворение для твердых дозированных лекарственных форм (201090003-2019)
Испытание "Растворение" предназначено для определения количества действующего вещества, которое за определенный промежуток времени должно высвобождаться в среду растворения из твердой дозированной лекарственной формы в условиях, указанных ниже, а также в частной фармакопейной статье и соответствующих общих фармакопейных статьях.
Испытание "Растворение" проводится при контроле качества твердых дозированных лекарственных форм с целью подтверждения постоянства их свойств и надлежащих условий производственного процесса.
В зависимости от скорости высвобождения действующих веществ все твердые дозированные лекарственные формы (таблетки, гранулы (время растворения которых превышает 5 мин) и капсулы) подразделяются на группы:
1 группа: таблетки; таблетки, покрытые оболочкой; гранулы (время растворения которых превышает 5 мин); гранулы, покрытые оболочкой; капсулы (таблетки, капсулы, гранулы со стандартным высвобождением);
2 группа: таблетки, капсулы и гранулы с отсроченным (отложенным) высвобождением;
3 группа: таблетки, капсулы и гранулы с пролонгированным высвобождением.
В данном разделе под единицей лекарственной формы понимают одну таблетку, или одну капсулу, или указанное количество гранул.
Прибор 1 (вращающаяся корзинка). Прибор (см. рисунок 2.1.9.3.-1) состоит из:
- цилиндрического сосуда для растворения (В) с полусферическим дном, изготовленного из боросиликатного стекла или другого подходящего прозрачного инертного материала. Номинальная вместимость сосуда для растворения составляет 1000 мл; высота от 160 до 210 мм; внутренний диаметр от 98 до 106 мм;
- двигателя с регулятором скорости, поддерживающим скорость вращения корзинки в пределах +/- 4% от скорости вращения корзинки, указанной в частной фармакопейной статье;
+/- перемешивающего элемента, который состоит из вертикального вала (А), к нижней части которого прикреплена цилиндрическая корзинка (Б). Ось вращения вала не должна отклоняться от вертикальной оси сосуда более чем на 2 мм. Вращение вала должно быть плавным, без существенных колебаний.
Рисунок 2.1.9.3.-1. - Прибор 1, перемешивающий элемент - корзинка (размеры в миллиметрах)
Корзинка состоит из двух частей: верхняя часть, имеющая отверстие диаметром 2,0 +/- 0,5 мм, должна быть приварена к валу и снабжена 3 упругими зажимами или другим подходящим приспособлением, позволяющим удалять нижнюю часть корзинки для введения испытуемого лекарственного средства. Съемная часть корзинки сделана из сваренной прямым швом металлической проволочной сетки, в которой проволока диаметром 0,22 - 0,31 мм образует отверстия размером 0,36 - 0,44 мм. Сетка имеет форму цилиндра и сверху и снизу ограничена металлической оправой.
При использовании агрессивных кислых растворов может использоваться корзинка, покрытая слоем золота толщиной 2,5 мкм.
Расстояние между дном сосуда для растворения и корзинкой должно составлять от 23 до 27 мм.
Для предотвращения испарения среды растворения сосуды для растворения должны закрываться крышками с центральным отверстием для прохождения оси корзинки, а также с отверстиями для термометра и отбора проб.
Для поддержания температуры среды растворения (37 +/- 0,5) °C прибор должен быть оснащен водяной баней с постоянным объемом термостатируемой жидкости.
Составные части прибора, а также окружающая среда, в котором находится прибор, не должны производить существенного движения, колебания или вибрации, выходящих за пределы плавного вращения перемешивающего элемента. Целесообразно использование прибора, позволяющего вести наблюдение за испытуемым препаратом и мешалкой в процессе испытания.
Прибор 2 (лопастная мешалка). Используют описанную выше комплектацию Прибора 1, где в качестве перемешивающего элемента устанавливают лопасть, состоящую из собственно лопасти и вала. Вал должен размещаться таким образом, чтобы его ось находилась на расстоянии не более 2 мм от любой точки вертикальной оси сосуда, и вращаться плавно без существенных колебаний, способных повлиять на результаты испытаний. Центральная вертикальная линия лопасти должна проходить через ось вала так, чтобы нижняя часть лопасти находилась на уровне нижней части вала. Лопастная мешалка соответствующей спецификации приведена на рисунке 2.1.9.3.-2. Расстояние между нижней частью лопасти и внутренней поверхностью дна сосуда в ходе испытания поддерживают на уровне 25 +/- 2 мм. Лопасть и вал, изготовленные из металла или подходящего инертного жесткого материала, могут представлять собой цельную конструкцию. Допускается использование приспособления, состоящего из двух разъемных частей, сохраняющихся прочно закрепленными в процессе испытания.
(в ред. решения Коллегии Евразийской экономической комиссии от 25.10.2022 N 150)
(см. текст в предыдущей редакции)
Рисунок 2.1.9.3.-2. - Прибор 2, перемешивающий элемент - лопасть. Размеры в миллиметрах.
На лопасть и вал может быть нанесено защитное инертное покрытие. Перед вращением лопасти единицу лекарственной формы помещают на дно сосуда. Для предотвращения всплывания к единице лекарственной формы прикрепляют небольшой кусочек инертного материала, например, несколько витков проволочной спирали или приспособление, приведенное на рисунке 2.1.9.3.-3. Допускается использование других валидированных приспособлений.
Рисунок 2.1.9.3.-3. - Альтернативное приспособление для погружения (размеры в миллиметрах). A - кислотоустойчивый проволочный зажим; B - кислотоустойчивая проволочная основа
Различия в размерах A и B должны составлять не более 0,5 мм при вращении вокруг центральной оси. Отклонения могут быть +/- 1,0 мм при отсутствии других указаний.
Прибор 3 (поршневой цилиндр). Прибор состоит из набора цилиндрических плоскодонных стеклянных сосудов; набора стеклянных цилиндров, совершающих возвратно-поступательные движения; инертных фиттингов (изготовленных из нержавеющей стали типа 316 или другого подходящего материала) и сит, изготовленных из подходящих несорбирующих инертных материалов и конструированных таким образом, что они закрывают дно и верх цилиндров, совершающих возвратно-поступательные движения; мотора и системы привода, приводящих в вертикальное возвратно-поступательное движение цилиндры в середине сосудов и, при необходимости, перемещающих их горизонтально в разных рядах сосудов. Сосуды частично погружают в водяную баню соответствующего размера, позволяющую поддерживать температуру 37 +/- 0,5 °C в ходе испытания. Составные части прибора, а также окружающая среда, в которой находится прибор, не должны производить существенного движения, колебания или вибрации, выходящих за пределы плавного возвратно-поступательного движения цилиндров. Используют прибор с возможностью выбора скорости возвратно-поступательного движения цилиндров и поддержания ее значения в пределах +/- 5%. Целесообразно применение прибора, позволяющего вести наблюдение за испытуемым препаратом и цилиндрами, совершающими возвратно-поступательные движения. Во время испытания сосуды закрывают крышкой во избежание испарения. При отсутствии других указаний в частной фармакопейной статье элементы прибора должны соответствовать размерам, приведенным на рисунке 2.1.9.3.-4.
Рисунок 2.1.9.3.-4. - Прибор 3, стеклянный сосуд и поршневой цилиндр (размеры в миллиметрах при отсутствии других указаний)
Прибор 4 (проточная ячейка). Прибор состоит из резервуара и насоса для среды растворения; проточной ячейки; водяной бани для поддержания температуры среды растворения 37 +/- 0,5 °C. Используют ячейку размером, указанным в частной фармакопейной статье.
Среду растворения прокачивают вверх через проточную ячейку с помощью насоса. Насос должен иметь диапазон изменения подачи потока от 240 мл/ч до 960 мл/ч со стандартными скоростями 4 мл/мин, 8 мл/мин и 16 мл/мин и обеспечивать постоянство потока с точностью +/- 5% от номинальной скорости потока; профиль потока должен быть синусоидальным с пульсацией 120 +/- 10 пульс/мин. Допускается применение насоса без пульсаций. Методика испытания с использованием проточной ячейки должна содержать параметры скорости потока и пульсации.
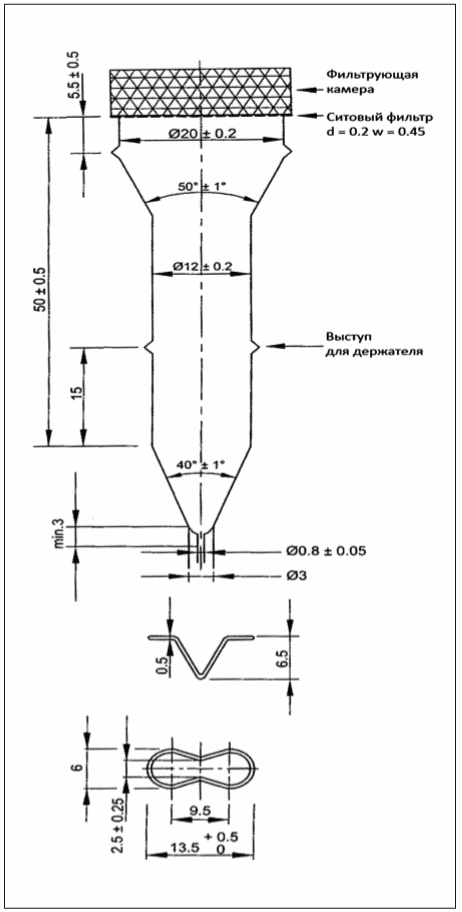
Проточную ячейку (см. рисунки 2.1.9.3.-5 и 2.1.9.3.-6), изготовленную из прозрачного инертного материала, устанавливают вертикально, используя систему фильтров, предотвращающих попадание не растворившихся частиц из верхней части ячейки. Стандартные диаметры ячейки составляют 12 мм и 22,6 мм; нижний конус обычно заполняют маленькими стеклянными шариками диаметром около одного миллиметра. С целью защиты трубки ввода жидкости на вершине конуса помещают один шарик диаметром около 5 мм. Для особых дозированных форм (см. рисунки 2.1.9.3.-5 и 2.1.9.3.-6) возможна установка держателя таблеток. Ячейку погружают в водяную баню и поддерживают температуру 37 +/- 0,5 °C.
Рисунок 2.1.9.3.-5. - Прибор 4, большая ячейка для таблеток и капсул (вверху), держатель таблеток для большой ячейки (внизу) (размеры в миллиметрах при отсутствии других указаний)
Рисунок 2.1.9.3.-6. - Прибор 4, маленькая ячейка для таблеток и капсул (вверху), держатель таблеток для маленькой ячейки (внизу) (размеры в миллиметрах при отсутствии других указаний)
Для фиксации кюветного приспособления в приборе используют зажим и два О-образных кольца. С целью защиты от вибраций, вызываемых насосом, модуль растворения отделяют от насоса. При этом положение насоса не должно быть выше уровня резервуарных сосудов. Соединительные трубки должны быть по возможности короче, изготовлены из подходящего инертного материала, например, из политетрафторэтилена, с внутренним диаметром 1,6 мм и инертными фланцевыми наконечниками.
Проверка пригодности прибора. Испытание должно включать установление соответствия размерам и требованиям, приведенным выше. Кроме того, в ходе испытания необходима периодическая проверка таких критических параметров, как объем и температура среды растворения, скорость вращения (Приборы 1 и 2), скорость погружения (Прибор 3) и скорость потока среды (Прибор 4). Проверку пригодности прибора для испытания на растворение проводят периодически.
- Гражданский кодекс (ГК РФ)
- Жилищный кодекс (ЖК РФ)
- Налоговый кодекс (НК РФ)
- Трудовой кодекс (ТК РФ)
- Уголовный кодекс (УК РФ)
- Бюджетный кодекс (БК РФ)
- Арбитражный процессуальный кодекс
- Конституция РФ
- Земельный кодекс (ЗК РФ)
- Лесной кодекс (ЛК РФ)
- Семейный кодекс (СК РФ)
- Уголовно-исполнительный кодекс
- Уголовно-процессуальный кодекс
- Производственный календарь на 2025 год
- МРОТ 2026
- ФЗ «О банкротстве»
- О защите прав потребителей (ЗОЗПП)
- Об исполнительном производстве
- О персональных данных
- О налогах на имущество физических лиц
- О средствах массовой информации
- Производственный календарь на 2026 год
- Федеральный закон "О полиции" N 3-ФЗ
- Расходы организации ПБУ 10/99
- Минимальный размер оплаты труда (МРОТ)
- Календарь бухгалтера на 2026 год
- Частичная мобилизация: обзор новостей
- Постановление Правительства РФ N 1875





