к приказу Министерства спорта
Российской Федерации
от 20 января 2025 г. N 44
1. Строку 4.5 таблицы N 1 "Спортивные дисциплины" пункта "Общие положения" признать утратившей силу.
2. В пункте 2 "Высший пилотаж на поршневых самолетах":
2.1. Абзац третий подпункта 2.1.6 признать утратившим силу.
2.2. В подпункте "а" подпункта 2.3.3.1:
2.2.1. Строку "Як-52" таблицы N 5 "Соответствие класса ПСВП категории высшего пилотажа СИВА" признать утратившей силу.
2.2.2. После таблицы N 5 "Соответствие класса ПСВП категории высшего пилотажа СИВА" дополнить абзацем следующего содержания:
"Пять (5) обязательных фигур для составления комплексов "ПСВП класс Як-52 - известная программа" определяются ежегодно тренерским советом ОСФ и приводятся в приложении 2 к правилам вида спорта "самолетный спорт".".
2.3. В подпункте "б" подпункта 2.10.7 слова "ПСВП класс промежуточный - командные соревнования"," исключить.
3. Приложение 2 к правилам вида спорта "самолетный спорт" изложить в следующей редакции:
к правилам вида спорта
"самолетный спорт"
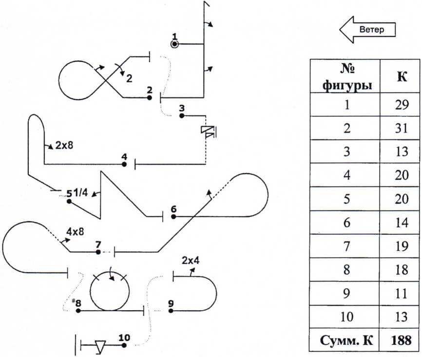
Обязательные фигуры для составления комплекса известной
программы 2025 года
ПСВП класс с ограничениями, уровень сложности второй
ПСВП класс с ограничениями, уровень сложности третий
Комплекс стандартной произвольной программы
4. В Приложении 3 к правилам вида спорта "самолетный спорт":
4.1. Строки 7.8.3 - 7.8.6 упорядоченных рисунков пункта А.12 "Семья фигур 7 "Петли и восьмерки". Ряды 7.8.1 - 7.8.6" изложить в следующей редакции:
4.2. Строку 7.8.8 упорядоченных рисунков пункта А.13 "Семья фигур 7 "Петли и восьмерки". Ряды 7.8.7 - 7.8.8" изложить в следующей редакции:
5. В приложении 9 к правилам вида спорта "самолетный спорт":
5.1. Наименование позиции 5.5 "КРИТЕРИИ СУДЕЙСТВА ФИГУР ПИЛОТАЖА" после слова "ФИГУР" дополнить словом "ВЫСШЕГО".
5.2. В абзаце четвертом позиции "Оценивание пилотажа." позиции 5.5 "КРИТЕРИИ СУДЕЙСТВА ФИГУР ПИЛОТАЖА" слова "зона пилотировани" заменить словами "зоны пилотирования".
5.3. В абзаце четвертом позиции "Семья фигур 7.4.3 - 7.4.6. Квадратные, ромбовидные и восьмигранные петли." позиции 5.6 "СЕМЬИ КАТАЛОГА ФИГУР ВЫСШЕГО ПИЛОТАЖА" после слова "пока" слово "горизонтальная" исключить.
- Гражданский кодекс (ГК РФ)
- Жилищный кодекс (ЖК РФ)
- Налоговый кодекс (НК РФ)
- Трудовой кодекс (ТК РФ)
- Уголовный кодекс (УК РФ)
- Бюджетный кодекс (БК РФ)
- Арбитражный процессуальный кодекс
- Конституция РФ
- Земельный кодекс (ЗК РФ)
- Лесной кодекс (ЛК РФ)
- Семейный кодекс (СК РФ)
- Уголовно-исполнительный кодекс
- Уголовно-процессуальный кодекс
- Производственный календарь на 2025 год
- МРОТ 2025
- ФЗ «О банкротстве»
- О защите прав потребителей (ЗОЗПП)
- Об исполнительном производстве
- О персональных данных
- О налогах на имущество физических лиц
- О средствах массовой информации
- Производственный календарь на 2026 год
- Федеральный закон "О полиции" N 3-ФЗ
- Расходы организации ПБУ 10/99
- Минимальный размер оплаты труда (МРОТ)
- Календарь бухгалтера на 2025 год
- Частичная мобилизация: обзор новостей
- Постановление Правительства РФ N 1875





