7. Пути движения людей и выходы высотой менее 1,9 м и шириной менее 0,7 м при определении расчетного времени эвакуации не учитываются, за исключением случаев, установленных в нормативных документах по пожарной безопасности. Допускается учитывать горизонтальные пути движения людей и выходы высотой не менее 1,8 м, предназначенные для эвакуации не более 5 человек, в случае, если в местах уменьшения высоты до значения менее 1,9 м предусмотрена сигнальная разметка.
Для наружных установок, включающих в свой состав этажерки, открытые галереи, эстакады с проходами и площадками обслуживания оборудования длина пути от места расположения человека до безопасной зоны должна определяться на основе объемно-планировочных решений наружной установки и предусмотренных на ней путей эвакуации. Пандусы, если их наклон менее 1:8, допускается относить к горизонтальным путям.
8. Площадь горизонтальной проекции человека следует принимать не менее 0,125 м2/чел.
Количество людей, относящихся к маломобильным группам населения, определяется заданием на проектирование или иной документацией на объект. Параметры (площадь горизонтальной проекции, параметры людского потока), необходимые для определения расчетного времени эвакуации людей, относящихся к маломобильным группам населения, принимаются в соответствии с методиками определения расчетных величин пожарного риска, утвержденными в установленном порядке.
9. Упрощенная аналитическая модель движения людского потока.
Расчетное время эвакуации людей tP из помещений и зданий устанавливают по расчету времени движения одного или нескольких людских потоков через эвакуационные выходы от наиболее удаленных мест размещения людей непосредственно наружу или в безопасную зону.
При расчете весь путь движения людского потока подразделяют на участки (проход, коридор, дверной проем, лестничный марш, тамбур) длиной li и шириной
. Начальными участками являются проходы между рабочими местами, оборудованием. При определении расчетного времени эвакуации учитывается пропускная способность всех имеющихся в помещениях, на этажах и в здании эвакуационных выходов.
При определении расчетного времени длину и ширину каждого участка пути эвакуации для проектируемых зданий принимают по проекту, а для существующих - по факту. Длину пути по лестничным маршам, а также по пандусам измеряют по длине марша. Длину пути в дверном проеме принимают равной нулю. Проем, расположенный в стене толщиной более 0,7 м, а также тамбур являются самостоятельными участками горизонтального пути, имеющими конечную длину li.
Расчетное время эвакуации людей tP следует определять как сумму времени движения людского потока по отдельным участкам пути ti по формуле:
tP = t1 + t2 + t3 + ... + ti, (П5.10)
где t1 - время движения людского потока на первом (начальном) участке, мин;
t2, t3, ..., ti - время движения людского потока на каждом из следующих после первого участка пути, мин.
Время движения людского потока по первому участку пути ti, мин, определяется по формуле:
где l1 - длина первого участка пути, м;
v1 - скорость движения людского потока по горизонтальному пути на первом участке, м/мин (определяют по таблице П5.1 в зависимости от плотности D).
Плотность однородного людского потока на первом участке пути Dl определяется по формуле:
где N1 - число людей на первом участке, чел;
f - средняя площадь горизонтальной проекции человека, м2;
- ширина первого участка пути, м.
Скорость vl движения людского потока на участках пути, следующих после первого, принимают по таблице П5.1 в зависимости от интенсивности движения людского потока по каждому из этих участков пути, которая определяется для всех участков пути, в том числе и для дверных проемов, по формуле:
где
,
- ширина рассматриваемого i-го и предшествующего ему участка пути, м;
qi, qi-1 - интенсивность движения людского потока по рассматриваемому i-му и предшествующему участкам пути, м/мин.
Интенсивность движения людского потока на первом участке пути q = qi-1 определяют по таблице П5.1 по значению Dl, установленному по формуле (П5.12).
Интенсивность и скорость движения людского потока
при различной плотности потока на разных участках
путей эвакуации
Представленная в таблице П5.1 интенсивность движения в дверном проеме при плотности потока 0,9 и более, равная 8,5 м/мин, установлена для дверного проема шириной 1,6 м и более, а при дверном проеме меньшей ширины интенсивность движения определяется по формуле qi = 2,5 + 3,75
.
Если значение qi, определяемое по формуле (П5.13), меньше или равно qmax, то время движения по участку пути ti, мин, равно:
при этом значения qmax, м/мин, следует принимать равными:
16,5 - для горизонтальных путей;
Если значение qi, определенное по формуле (П5.13), больше qmax, то ширину
данного участка пути следует увеличивать на такое значение, при котором соблюдается условие:
При невозможности выполнения условия (П5.15) интенсивность и скорость движения людского потока по участку i определяют по таблице П5.1 при значении D = 0,9 и более. При этом следует учитывать время задержки движения людей из-за образовавшегося скопления.
Время задержки tзад движения на участке i из-за образовавшегося скопления людей на границе с последующим участком (i+1) определяется по формуле:
где N - количество людей, чел;
f - площадь горизонтальной проекции, м2;
qD - интенсивность движения через участок (i+1) при плотности 0,9 и более, м/мин;
- ширина участка, м, при вхождении на который образовалось скопление людей;
qi - интенсивность движения на участке i, м/мин;
- ширина предшествующего участка i, м.
Время существования скопления tCK на участке i определяется по формуле:
Расчетное время эвакуации по участку i, в конце которого на границе с участком (i+1) образовалось скопление людей, равно времени существования скопления tCK. Расчетное время эвакуации по участку i допускается определять по формуле:
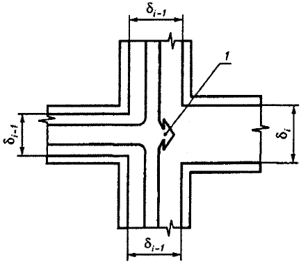
При слиянии в начале участка i двух и более людских потоков (рисунок П5.1) интенсивность движения qi, м/мин, определяется по формуле:
где qi-1 - интенсивность движения людских потоков, сливающихся в начале участка i, м/мин;
- ширина участков пути слияния, м;
- ширина рассматриваемого участка пути, м.
Если значение qi, определенное по формуле (П5.19), больше qmax, то ширину
данного участка пути следует увеличивать на такое значение, чтобы соблюдалось условие (П5.15). В этом случае время движения по участку i определяется по формуле (П5.14).
- Гражданский кодекс (ГК РФ)
- Жилищный кодекс (ЖК РФ)
- Налоговый кодекс (НК РФ)
- Трудовой кодекс (ТК РФ)
- Уголовный кодекс (УК РФ)
- Бюджетный кодекс (БК РФ)
- Арбитражный процессуальный кодекс
- Конституция РФ
- Земельный кодекс (ЗК РФ)
- Лесной кодекс (ЛК РФ)
- Семейный кодекс (СК РФ)
- Уголовно-исполнительный кодекс
- Уголовно-процессуальный кодекс
- Производственный календарь на 2025 год
- МРОТ 2026
- ФЗ «О банкротстве»
- О защите прав потребителей (ЗОЗПП)
- Об исполнительном производстве
- О персональных данных
- О налогах на имущество физических лиц
- О средствах массовой информации
- Производственный календарь на 2026 год
- Федеральный закон "О полиции" N 3-ФЗ
- Расходы организации ПБУ 10/99
- Минимальный размер оплаты труда (МРОТ)
- Календарь бухгалтера на 2025 год
- Частичная мобилизация: обзор новостей
- Постановление Правительства РФ N 1875
, (П5.11)
, (П5.12)
, (П5.13)
, (П5.14)
. (П5.15)
, (П5.16)
. (П5.17)
. (П5.18)
, (П5.19)