Проводят три испытания. При подтверждении времени тушения и повторного воспламенения требованиям стандарта в двух первых испытаниях третье не проводят. За результат испытания принимают среднеарифметическое параллельных определений. Допустимое расхождение между результатами параллельных определений с доверительной вероятностью 0,90 должно быть не более +/- 20%.
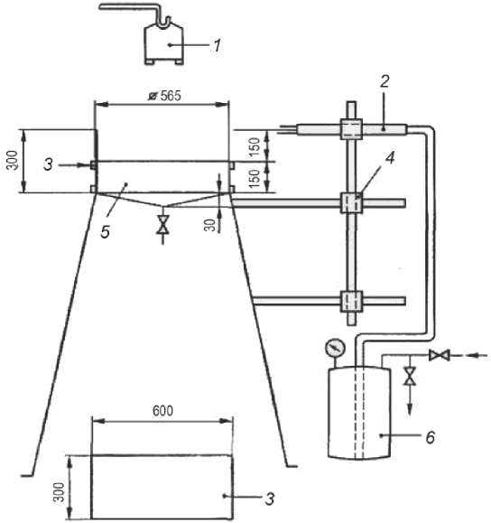
Рис. К.1. Схема проведения испытаний по определению
времени тушения горючей жидкости при подаче пены низкой
кратности (стендовая методика): 1 - тигель для повторного
воспламенения; 2 - ствол пены низкой кратности; 3 - задняя
стенка; 4 - штатив; 5 - модельный резервуар (противень);
6 - емкость для раствора пенообразователя
Рис. К.2. Пожарный ствол пены низкой кратности
по стендовой методике (сборочный чертеж): 1 - насадок ствола
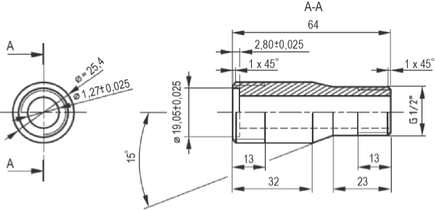
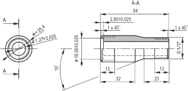
низкой кратности с отводом пены; 2 - муфта; 3 - смесительная
трубка; 4 - стабилизирующая трубка; 5 - сопло;
6 - диафрагма с отверстием G; 7 - приспособление
для разборки; 8 - диафрагма с отверстием P;
9 - впускной патрубок
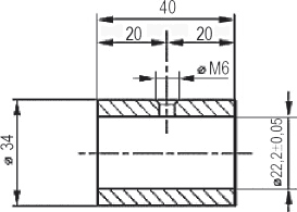
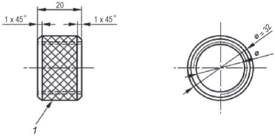
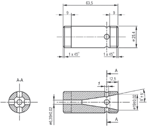
Примечание. Рис. К.2.1 - К.2.9 детализация ствола пены низкой кратности.
Рис. К.2.1. Деталь 1 - насадок с отводом пены:
1 - 3 отверстия с
H; 2 - накатка; 3 - резьба
Рис. К.2.2. Деталь 2 - Муфта: 1 - грубая накатка
Рис. К.2.3. Деталь 3 - Смесительная трубка
Рис. К.2.5. Деталь 5 - Сопло Вентури:
1 - 4 отверстия
6 под 90°
Рис. К.2.6. Деталь 6 - Диафрагма с отверстием G:
1 - скругление малого радиуса
Рис. К.2.7. Деталь 7 - Приспособление для разборки
Рис. К.2.8. Деталь 8 - Диафрагма с отверстием P:
1 - скругление малого радиуса
- Гражданский кодекс (ГК РФ)
- Жилищный кодекс (ЖК РФ)
- Налоговый кодекс (НК РФ)
- Трудовой кодекс (ТК РФ)
- Уголовный кодекс (УК РФ)
- Бюджетный кодекс (БК РФ)
- Арбитражный процессуальный кодекс
- Конституция РФ
- Земельный кодекс (ЗК РФ)
- Лесной кодекс (ЛК РФ)
- Семейный кодекс (СК РФ)
- Уголовно-исполнительный кодекс
- Уголовно-процессуальный кодекс
- Производственный календарь на 2025 год
- МРОТ 2025
- ФЗ «О банкротстве»
- О защите прав потребителей (ЗОЗПП)
- Об исполнительном производстве
- О персональных данных
- О налогах на имущество физических лиц
- О средствах массовой информации
- Производственный календарь на 2026 год
- Федеральный закон "О полиции" N 3-ФЗ
- Расходы организации ПБУ 10/99
- Минимальный размер оплаты труда (МРОТ)
- Календарь бухгалтера на 2025 год
- Частичная мобилизация: обзор новостей
- Постановление Правительства РФ N 1875











