При испытании применяют следующее оборудование и материалы:
- стендовая установка, схема установки приведена на рис. И.1, И.2.
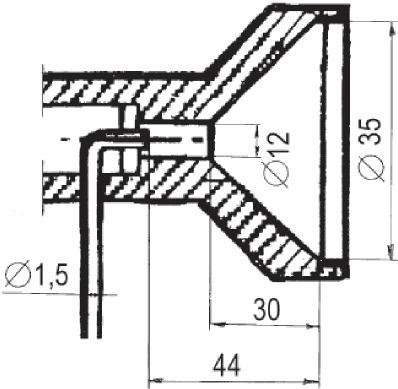
Рис. И.1. Схема установки для получения пены
высокой кратности: 1 - источник воздуха (воздуходувка);
2, 8, 11 - кран; 3, 9 - прибор для контроля давления;
4, 7 - трубка; 5 - пакет сеток; 6 - емкость вместимостью
50 дм3; 10 - емкость для рабочего раствора
пенообразователя; 12 - мерный цилиндр
Рис. И.2. Схема распылительного узла установки
для получения пены высокой кратности (внутренний диаметр
трубки распылителя - 1,5 мм)
- генератор пены высокой кратности, расход по воде (60 +/- 0,5) мл/мин ((1 +/- 0,008) мл/с), давление воздуха в генераторе пены высокой кратности: давление в генераторе пены высокой кратности на приборе для контроля давления (3) - (800 +/- 20) мм водного столба; давление в распылителе раствора пенообразователя генератора пены высокой кратности на приборе для контроля давления (9) - (15 +/- 5) мм водного столба. Для изготовления пакета из двух сеток применяют сетку 2-1,1-032 12X18H9T ГОСТ 3826-82, расстояние между сетками в пакете (5 +/- 1) мм, диаметр пакета сеток 35 мм;
- источник воздуха (воздуходувка) обеспечивает давление - (800 +/- 20) мм водного столба, не менее;
- прямоугольная емкость для сбора пены высотой 0,5 м вместимостью 50 дм3;
- цилиндр по ГОСТ 1770-74 вместимостью 100 мл и ценой деления 1 мл;
- термометр по ГОСТ 28498-90 с диапазоном измерения от 0 до 100 °C и ценой деления 1 °C;
- секундомер или другое устройство регистрации времени с точностью 1 с;
- Гражданский кодекс (ГК РФ)
- Жилищный кодекс (ЖК РФ)
- Налоговый кодекс (НК РФ)
- Трудовой кодекс (ТК РФ)
- Уголовный кодекс (УК РФ)
- Бюджетный кодекс (БК РФ)
- Арбитражный процессуальный кодекс
- Конституция РФ
- Земельный кодекс (ЗК РФ)
- Лесной кодекс (ЛК РФ)
- Семейный кодекс (СК РФ)
- Уголовно-исполнительный кодекс
- Уголовно-процессуальный кодекс
- Производственный календарь на 2025 год
- МРОТ 2026
- ФЗ «О банкротстве»
- О защите прав потребителей (ЗОЗПП)
- Об исполнительном производстве
- О персональных данных
- О налогах на имущество физических лиц
- О средствах массовой информации
- Производственный календарь на 2026 год
- Федеральный закон "О полиции" N 3-ФЗ
- Расходы организации ПБУ 10/99
- Минимальный размер оплаты труда (МРОТ)
- Календарь бухгалтера на 2026 год
- Частичная мобилизация: обзор новостей
- Постановление Правительства РФ N 1875

