Часть V. Методика испытаний для определения характеристик выделения дыма материалами отделки салона
(a) Методика. Образцы должны быть испытаны в соответствии с ГОСТ 24632-81 "Материалы полимерные. Методы определения дымообразования".
(b) Критерии оценки годности. Удельная оптическая плотность дыма (DS), полученная путем осреднения показаний для каждого из трех образцов после 4 мин, не должна превышать 200.
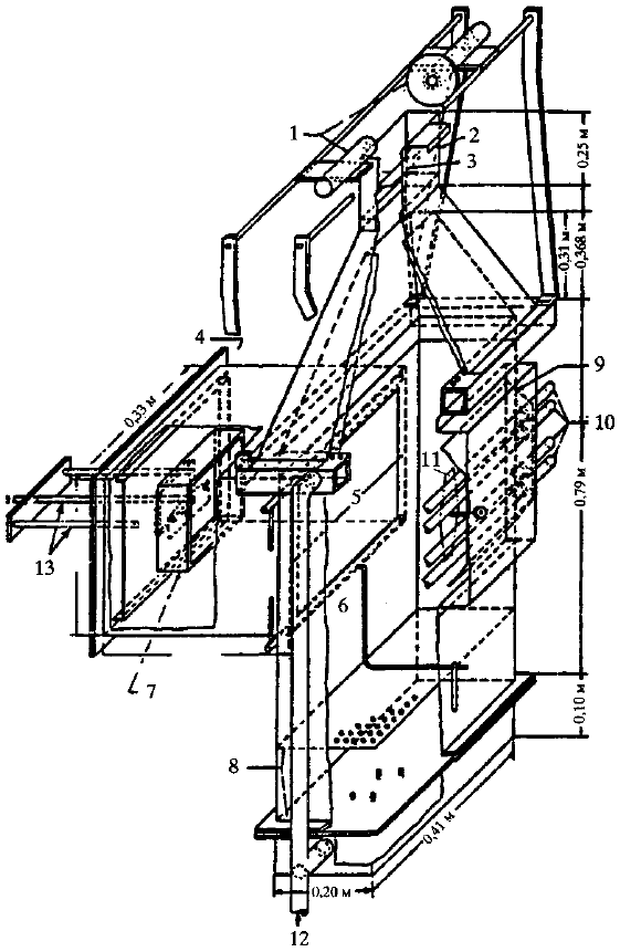
Рис. 1. Аппаратура для испытания
на интенсивность тепловыделения
1. Устройство контроля дымовыделения
5. Радиационная створка (в закрытом положении)
8. Воздухораспределительные пластины
10. Панель источника теплового излучения
13. Механическое устройство для сохранения положения образца.
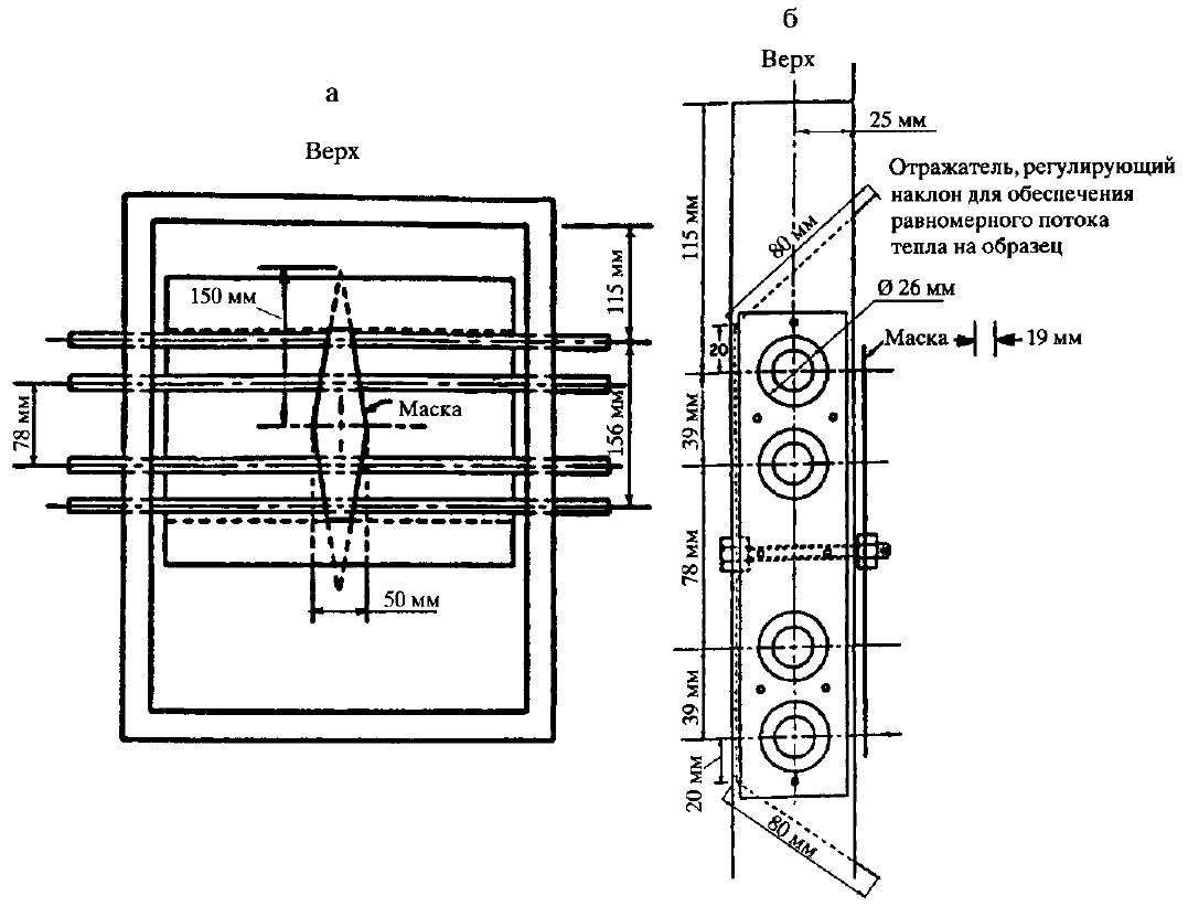
Рис. 2. Панель источника теплового излучения
Рис. 3. Элементы установки для испытаний на тепловыделение
1. Металлический отгибаемый фланец для крепления установочной пластины
2. Четыре отверстия на расстоянии 15, 25, 35 и 45 мм позади держателя (для стопорного штыря)
3. Проволока 0,5 мм из нержавеющей стали
8. Шайба, Dнар = 50 мм, Dвнут = 13 мм
9. Отгибы для установки держателя с образцом (R = 2 мм, лапка 5 мм)
- Гражданский кодекс (ГК РФ)
- Жилищный кодекс (ЖК РФ)
- Налоговый кодекс (НК РФ)
- Трудовой кодекс (ТК РФ)
- Уголовный кодекс (УК РФ)
- Бюджетный кодекс (БК РФ)
- Арбитражный процессуальный кодекс
- Конституция РФ
- Земельный кодекс (ЗК РФ)
- Лесной кодекс (ЛК РФ)
- Семейный кодекс (СК РФ)
- Уголовно-исполнительный кодекс
- Уголовно-процессуальный кодекс
- Производственный календарь на 2025 год
- МРОТ 2025
- ФЗ «О банкротстве»
- О защите прав потребителей (ЗОЗПП)
- Об исполнительном производстве
- О персональных данных
- О налогах на имущество физических лиц
- О средствах массовой информации
- Производственный календарь на 2026 год
- Федеральный закон "О полиции" N 3-ФЗ
- Расходы организации ПБУ 10/99
- Минимальный размер оплаты труда (МРОТ)
- Календарь бухгалтера на 2025 год
- Частичная мобилизация: обзор новостей
- Постановление Правительства РФ N 1875




