Внимание! Изменения, внесенные Решением Коллегии ЕЭК от 25.06.2024 N 75, в части дополнения общими фармакопейными статьями, вводятся в действие с 1 января 2025 года.

ПРИБОР А

Прибор А для имитации жевания (рисунок 2.1.9.23.-1) состоит из следующих частей:

- камеры, имитирующей процесс жевания;

- вертикального поршня;

- двух горизонтальных поршней с уплотнительными O-образными кольцами и прокладками.

Рисунок 684

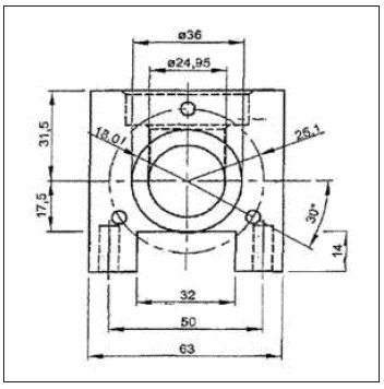
Рисунок 2.1.9.23.-1. - Прибор А для имитации жевания. Жевательная камера и поршни. Размеры указаны в миллиметрах. А - горизонтальный поршень; Б - направляющий элемент; В - камера для имитации жевания; Г - воронка; Д - вертикальный поршень. Размеры указаны в миллиметрах

Камера для имитации жевания состоит из четырех отдельных частей:

- центральной камеры;

- воронки (рисунок 2.1.9.23.-2);

- двух направляющих элементов с втулками (рисунок 2.1.9.23.-3).

Рисунок 685

Рисунок 2.1.9.23.-2. - Прибор А. Воронка. Размеры указаны в миллиметрах

Рисунок 686

Рисунок 2.1.9.23.-3. - Прибор А (секция Е-Е). Направляющий элемент. Размеры указаны в миллиметрах

Воронку и направляющие элементы монтируют в центральную камеру. Уплотнительные O-образные кольца вставляют в выточку поршня, вокруг которой помещена прокладка, обеспечивающая герметичность камеры.

Горизонтальные поршни размещаются в камере по направляющим для имитации процесса жевания.

Жевательную резинку подвергают воздействию при помощи горизонтальных поршней; вертикальный поршень обеспечивает правильное местоположение жевательной резинки в процессе имитации жевания.

Для обеспечения постоянства рабочего цикла скорость прибора контролируется. Один цикл жевания определяется следующим образом: горизонтальные поршни начинают свое движение из крайних внешних положений, движутся к самому дальнему внутреннему положению и обратно в крайнее внешнее положение. В течение одного цикла вертикальный поршень движется из самого нижнего положения к самому верхнему и обратно в самое нижнее положение.

Величина хода каждого горизонтального поршня составляет 25,0 мм. Максимальное расстояние между двумя горизонтальными поршнями составляет 50 мм. Минимальное расстояние между двумя горизонтальными поршнями составляет от 0,1 мм до 1,0 мм. Величина хода вертикально поршня составляет 22,0 мм.

Движение горизонтальных поршней контролируется таким образом, чтобы оба поршня находились в самом дальнем внутреннем положении одновременно. Движение вертикального поршня должно согласовываться с движением горизонтальных поршней.

При необходимости прибор может быть сконструирован таким образом, чтобы к концу цикла горизонтальные поршни вращались вокруг собственных осей в противоположном направлении друг к другу для достижения максимального эффекта жевания.

Все части прибора, которые могут находиться в контакте с препаратом или средой растворения, должны быть химически инертными и не должны адсорбировать, реагировать или иным образом взаимодействовать с образцом.