В зависимости от сыпучести испытуемого образца используют воронки с выходным стволом или без него, с разными углами и диаметрами выходных отверстий. При отсутствии выходного ствола воронку используют с насадкой. Типичные воронки показаны на рисунках 2.1.10.1.-1 и 2.1.10.1.-2. Воронка поддерживается в вертикальном положении при помощи специального приспособления. Вся конструкция должна быть защищена от вибрации.
Рисунок 2.1.10.1.-1. - Воронка без выходного ствола и насадка. Насадка изготовлена из нержавеющей кислотоупорной стали (V4A, CrNi). Размеры указаны в миллиметрах
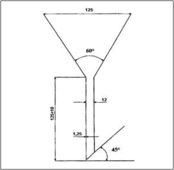
Рисунок 2.1.10.1.-2. - Воронка с выходным стволом. Размеры указаны в миллиметрах
- Гражданский кодекс (ГК РФ)
- Жилищный кодекс (ЖК РФ)
- Налоговый кодекс (НК РФ)
- Трудовой кодекс (ТК РФ)
- Уголовный кодекс (УК РФ)
- Бюджетный кодекс (БК РФ)
- Арбитражный процессуальный кодекс
- Конституция РФ
- Земельный кодекс (ЗК РФ)
- Лесной кодекс (ЛК РФ)
- Семейный кодекс (СК РФ)
- Уголовно-исполнительный кодекс
- Уголовно-процессуальный кодекс
- Производственный календарь на 2025 год
- МРОТ 2026
- ФЗ «О банкротстве»
- О защите прав потребителей (ЗОЗПП)
- Об исполнительном производстве
- О персональных данных
- О налогах на имущество физических лиц
- О средствах массовой информации
- Производственный календарь на 2026 год
- Федеральный закон "О полиции" N 3-ФЗ
- Расходы организации ПБУ 10/99
- Минимальный размер оплаты труда (МРОТ)
- Календарь бухгалтера на 2026 год
- Частичная мобилизация: обзор новостей
- Постановление Правительства РФ N 1875

