к Правилам переключений
в электроустановках
1. Последовательность операций при производстве переключений по выводу в ремонт и вводу в работу 1СШ (с переводом всех присоединений на 2СШ) при фиксированном распределении присоединений и наличии в схеме ШСВ. ВЛ 110 кВ А-В и трансформатор Т1 зафиксированы за 1СШ 110 кВ, а ВЛ 110 кВ А-Б зафиксирована за 2СШ 110 кВ, ШСВ включен.
Схема РУ с двумя системами шин, для которой ниже указана последовательность переключений, приведена на рисунке 1.

Рисунок 1. Схема РУ с двумя системами шин
1.1 Вывод в ремонт 1СШ (с переводом всех присоединений на 2СШ):
1) перевести ДЗШ в режим с нарушенной фиксацией присоединений;
2) вывести АПВ 1СШ 110 кВ и 2СШ 110 кВ;
3) проверить исправность токовых цепей ДЗШ;
4) снять оперативный ток с привода выключателя ШСВ;
5) снять оперативный ток питания защит выключателя ШСВ;
6) проверить включенное положение выключателя ШСВ по месту установки;
7) включить шинный разъединитель ШР2 В1;
8) включить шинный разъединитель ШР2 ВТ1;
9) отключить шинный разъединитель ШР1 ВТ1;
10) отключить шинный разъединитель ШР1 В1;
11) перевести питание цепей напряжения присоединений, нормально запитанных от ТН1, с ТН1 на ТН2 (если питание не переключается автоматически);
12) проверить отсутствие нагрузки на выключателе ШСВ по измерительным приборам;
13) подать оперативный ток на привод выключателя ШСВ;
14) отключить выключатель ШСВ;
15) снять оперативный ток с привода выключателя ШСВ;
16) проверить отключенное положение выключателя ШСВ по месту установки;
17) отключить шинный разъединитель ШР1 ШСВ;
18) отключить ТН1 с низкой стороны;
19) отключить шинный разъединитель ШР ТН1;
20) проверить отсутствие напряжения на 1СШ;
1.2. Ввод в работу 1СШ (с восстановлением нормальной фиксации присоединений):
2) включить шинный разъединитель ШР ТН1;
3) включить ТН1 с низкой стороны;
4) проверить отключенное положение выключателя ШСВ по месту установки;
5) включить шинный разъединитель ШР1 ШСВ;
6) подать оперативный ток питания защит выключателя ШСВ;
7) ввести блокировку ДЗШ при включении ШСВ;
8) ввести защиты выключателя ШСВ для режима "опробование";
9) подать оперативный ток на привод выключателя ШСВ;
10) включить выключатель ШСВ, проверить наличие напряжения на 1СШ по измерительным приборам;
11) снять оперативный ток с привода выключателя ШСВ;
12) вывести защиты выключателя ШСВ, введенные для режима "опробование";
13) вывести блокировку ДЗШ при включении ШСВ;
14) снять оперативный ток питания защит выключателя ШСВ;
16) проверить исправность токовых цепей ДЗШ;
17) проверить включенное положение выключателя ШСВ по месту установки;
18) включить шинный разъединитель ШР1 В1;
19) включить шинный разъединитель ШР1 ВТ1;
20) отключить шинный разъединитель ШР2 ВТ1;
21) отключить шинный разъединитель ШР2 В1;
22) подать оперативный ток на привод выключателя ШСВ;
23) подать оперативный ток питания защит выключателя ШСВ;
24) перевести ДЗШ в режим с нормальной фиксацией присоединений;
25) перевести питание цепей напряжения присоединений, нормально запитанных от ТН1, с ТН2 на ТН1 (если питание не переключается автоматически);
26) ввести АПВ 1СШ 110 кВ и 2СШ 110 кВ.
2. Последовательность основных операций при выводе в ремонт трансформатора собственных нужд (ТСН1) 6/0,4 кВ электростанции:
2) проверить включенное положение выключателя 6 кВ ТСН2;
3) включить вводные автоматические выключатели 0,4 кВ резервного ТСН2;
4) проверить по приборам наличие нагрузки на ТСН2;
5) отключить автоматические выключатели 0,4 кВ ТСН1;
6) отключить выключатель 6 кВ ТСН1;
7) снять оперативный ток с привода выключателя 6 кВ ТСН1;
8) проверить отключенное положение автоматических выключателей 0,4 кВ ТСН1;
9) отключить рубильники 0,4 кВ ТСН1;
10) проверить отключенное положение выключателя 6 кВ ТСН1 по месту установки;
11) тележку с выключателем 6 кВ ТСН1 переместить в ремонтное положение;
12) проверить отсутствие напряжения на ошиновке 6 кВ ТСН1;
13) установить заземления на выводах ТСН1 со стороны 6 кВ;
14) проверить отсутствие напряжения на ошиновке 0,4 кВ ТСН1;
15) установить заземления на выводах ТСН1 со стороны 0,4 кВ.
3. Последовательность основных операций при вводе в работу трансформатора собственных нужд (ТСН1) 6/0,4 кВ электростанции:
1) снять заземления на выводах ТСН1 со стороны 6 кВ и 0,4 кВ;
2) проверить отключенное положение выключателя 6 кВ ТСН1;
3) тележку с выключателем 6 кВ ТСН1 переместить в рабочее положение;
4) проверить отключенное положение автоматических выключателей 0,4 кВ ТСН1;
5) включить рубильники 0,4 кВ ТСН1;
6) подать оперативный ток на привод выключателя 6 кВ ТСН1;
7) включить выключатель 6 кВ ТСН1;
8) включить автоматические выключатели 0,4 кВ ТСН1;
9) проверить по приборам наличие нагрузки на ТСН1;
10) отключить автоматические выключатели 0,4 кВ ТСН2;
4. Последовательность основных операций при выводе в ремонт трансформатора на двухтрансформаторной подстанции.
Схема двухтрансформаторной подстанции 220 кВ с выключателем в перемычке и отделителями в цепях трансформаторов, для которой ниже указана последовательность переключений, приведена на рисунке 2.

Рисунок 2. Схема двухтрансформаторной подстанции
220 кВ с выключателем в перемычке и отделителями
в цепях трансформаторов
4.1. Вывод в ремонт трансформатора Т1:
1) перевести нагрузку собственных нужд подстанции с трансформатора ТСН1 на трансформатор ТСН2,
2) проверить отсутствие замыкания на землю в сети 35 кВ, отключить разъединитель Р1 ДГР; включить разъединитель Р2 ДГР,
3) переключить автоматику РПН трансформаторов Т1 и Т2 с автоматического на дистанционное управление,
4) дистанционно перевести РПН трансформатора Т1 в положение, соответствующее коэффициенту трансформации Т2,
6) включить выключатель СВ-10,
8) снять оперативный ток с привода выключателя В1,
10) включить выключатель СВ-35,
12) снять оперативный ток с привода выключателя В3,
13) переключить автоматику РПН трансформатора Т2 с дистанционного на автоматическое управление,
14) дистанционно перевести РПН трансформатора Т1 в положение, соответствующее основному ответвлению обмотки,
15) проверить отсутствие напряжения в нейтрали трансформатора Т1,
16) включить заземляющий разъединитель в нейтрали трансформатора Т1,
18) проверить, отключенное положение выключателя В1, переместить тележку с выключателем В1 в ремонтное положение,
19) проверить, отключенное положение выключателя В3,
20) отключить трансформаторный разъединитель ТР3,
21) вывести газовую и технологические защиты трансформатора Т1, газовую защиту РПН трансформатора Т1,
22) проверить отсутствие напряжения на ошиновке 220 кВ трансформатора Т1,
23) установить заземление на ошиновке 220 кВ трансформатора Т1,
24) проверить отсутствие напряжения на ошиновке 35 кВ трансформатора Т1,
25) установить заземление на ошиновке 35 кВ трансформатора Т1,
26) проверить отсутствие напряжения на ошиновке 10 кВ трансформатора Т1,
27) установить заземление на ошиновке 10 кВ трансформатора Т1 и на выводах низкого напряжения трансформатора ТСН1.
4.2 Ввод в работу трансформатора Т1:
1) снять заземления со стороны высокого, среднего, низкого напряжений трансформатора Т1 и с выводов низкого напряжения трансформатора ТСН1,
2) проверить отключенное положение короткозамыкателя КЗ1,
3) проверить включенное положение заземляющего разъединителя в нейтрали трансформатора Т1,
4) переместить тележку с выключателем В1 в контрольное положение;
6) отключить выключатель ВП (разорвать транзит по ВЛ 220 кВ А-Б и ВЛ 220 кВ А-В),
7) отключить разъединитель ЛР1,
8) ввести газовую и технологические защиты трансформатора Т1, газовую защиту РПН трансформатора Т1,
9) включить отделитель ОД1 трансформатора Т1,
10) включить линейный разъединитель ЛР1,
11) включить выключатель ВП (замкнуть в транзит ВЛ 220 кВ А-Б и ВЛ 220 кВ А-В),
12) отключить заземляющий разъединитель в нейтрали трансформатора Т1;
14) проверить отключенное положение выключателя В3 по месту установки,
15) включить трансформаторный разъединитель ТР3,
16) проверить отключенное положение выключателя В1 и переместить тележку с выключателем В1 в рабочее положение,
17) переключить автоматику РПН работающего трансформатора Т2 с автоматического на дистанционное управление,
18) дистанционно перевести РПН трансформатора Т1 в положение, соответствующее коэффициенту трансформации Т2,
19) подать оперативный ток на привод выключателя В3,
21) отключить выключатель СВ-35,
23) подать оперативный ток на привод выключателя В1,
25) отключить выключатель СВ-10,
27) переключить автоматику РПН трансформаторов Т1 и Т2 с дистанционного на автоматическое управление,
28) восстановить нормальную схему питания собственных нужд подстанции,
29) проверить отсутствие замыкания на землю в сети 35 кВ; отключить разъединитель Р2 ДГР; включить разъединитель Р1 ДГР.
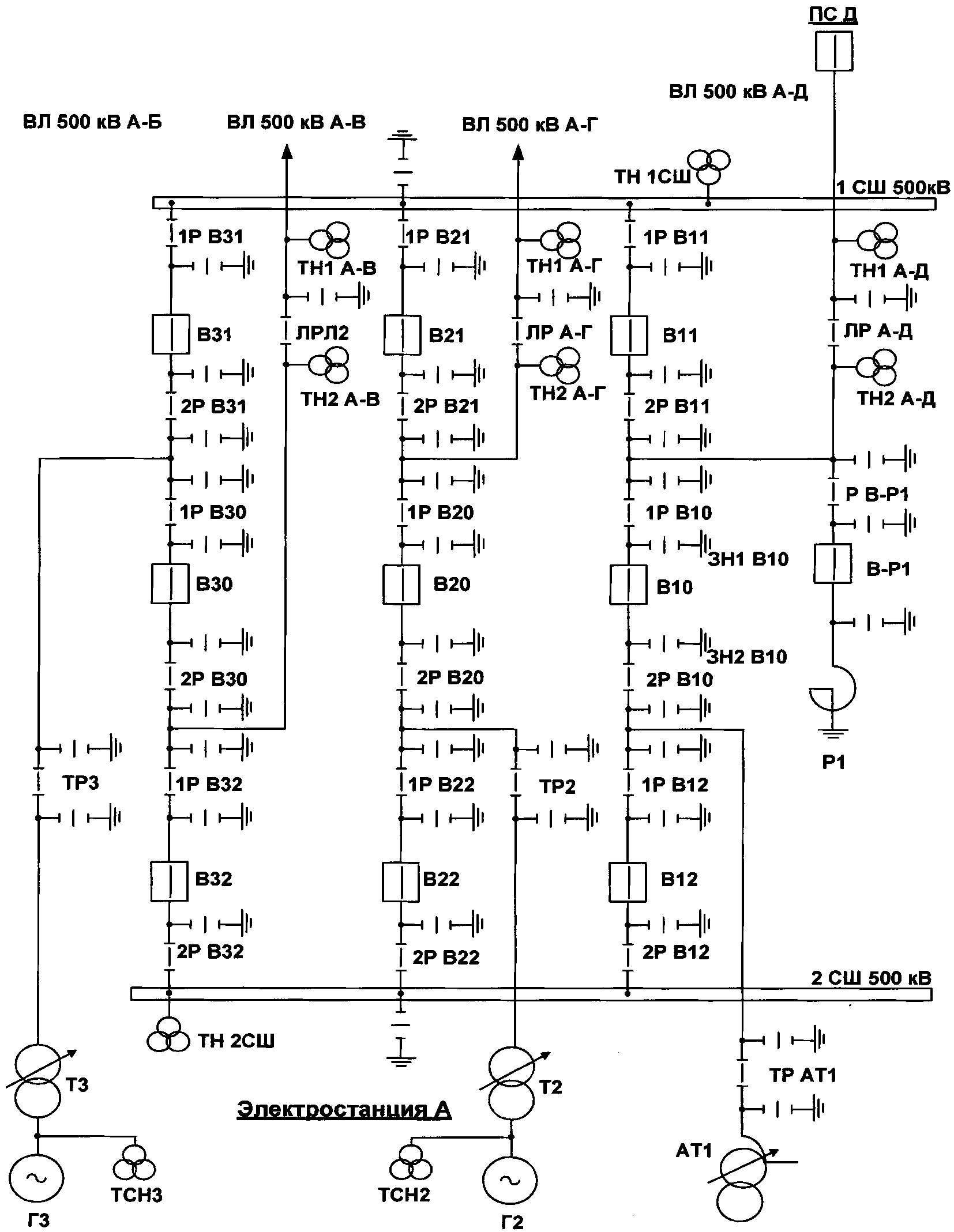
5. Последовательность основных операций при выводе в ремонт, вводе в работу автотрансформатора АТ2, исключающая феррорезонанс на ТН АТ2 при полуторной схеме электрических соединений с воздушными выключателями и электромагнитными ТН.
Схема ПС 500 кВ, выполненная по полуторной схеме, для которой ниже указана последовательность переключений, приведена на рисунке 3.

Рисунок 3. Схема ПС 500 кВ, выполненная по полуторной схеме
5.1. Вывод в ремонт автотрансформатора АТ2, исключающий возникновение феррорезонанса на ТН АТ2 при полуторной схеме электрических соединений с воздушными выключателями и электромагнитными ТН:
1) отключить выключатель В-10 АТ2;
2) снять оперативный ток с привода выключателя В-10 АТ2;
3) отключить выключатель В-220 АТ2;
4) снять оперативный ток с привода выключателя В-220 АТ2;
5) отключить выключатель В510;
6) снять оперативный ток с привода выключателя В510;
7) отключить выключатель В512;
8) снять оперативный ток с привода выключателя В512;
9) проверить отключенное положение выключателя В-10 АТ2 по месту установки;
10) отключить разъединитель Р10 АТ2;
11) проверить отключенное положение выключателя В-220 АТ2 по месту установки;
12) отключить разъединитель Р220 АТ2;
13) проверить отключенное положение выключателей В510 и В512 по месту установки;
14) отключить разъединитель ТР510;
15) отключить разъединитель ТР512;
16) отключить разъединитель Р500 АТ2;
17) проверить отсутствие напряжения на ошиновке 500 кВ между АТ2 и Р500 АТ2;
18) включить заземляющий разъединитель ЗН Р500 АТ2;
19) проверить отсутствие напряжения на ошиновке 220 кВ между АТ2 и Р220 АТ2;
20) включить заземляющий разъединитель ЗН Р220 АТ2;
21) проверить отсутствие напряжения на ошиновке 10 кВ между АТ2 и Р10 АТ2;
22) включить заземляющий разъединитель ЗН Р10 АТ2;
23) утратил силу. - Приказ Минэнерго России от 04.10.2022 N 1070;
(см. текст в предыдущей редакции)
24) включить выключатель В512;
25) с деблокированием включить разъединитель ТР512;
26) включить разъединитель ТР510;
27) включить выключатель В510;
28) вывести газовую и технологические защиты автотрансформатора АТ2 и газовую защиту РПН АТ2.
(пп. 28 введен Приказом Минэнерго России от 04.10.2022 N 1070)
5.2 Ввод в работу автотрансформатора АТ2, исключающий возникновение феррорезонанса на ТН АТ2 при полуторной схеме электрических соединений с воздушными выключателями и электромагнитными ТН:
1) ввести газовую и технологические защиты трансформатора АТ2 и газовую защиту РПН автотрансформатора АТ2;
2) отключить заземляющий разъединитель ЗН Р500 АТ2;
3) отключить заземляющий разъединитель ЗН Р220 АТ2;
4) отключить заземляющий разъединитель ЗН Р10 АТ2;
5) отключить выключатель В510;
6) снять оперативный ток с привода выключателя В510;
7) проверить отключенное положение выключателя В510 по месту установки;
8) отключить разъединитель ТР510;
9) с деблокированием отключить разъединитель ТР512;
10) отключить выключатель В512;
11) снять оперативный ток с привода выключателя В512;
12) проверить отключенное положение выключателя В-220 АТ2 по месту установки;
13) включить разъединитель Р220 АТ2;
14) проверить отключенное положение выключателя В-10 АТ2 по месту установки;
15) включить разъединитель Р10 АТ2;
16) проверить отключенное положение выключателя В512 по месту установки;
17) включить разъединитель Р500 АТ2;
18) включить разъединитель ТР510;
19) включить разъединитель ТР512;
20) подать оперативный ток на привод выключателя В512;
21) включить выключатель В512;
22) подать оперативный ток на привод выключателя В510;
23) включить выключатель В510;
24) подать оперативный ток на привод выключателя В-220 АТ2;
25) включить выключатель В-220 АТ2;
26) подать оперативный ток на привод выключателя В-10 АТ2;
27) включить выключатель В-10 АТ2.
6. Последовательность основных операций по выводу в ремонт воздушного выключателя в схемах: полуторной, треугольника, четырехугольника и иных аналогичных схемах.
Полуторная схема РУ, для которой ниже указана последовательность переключений, приведена на рисунке 4.

Рисунок 4. Полуторная схема РУ
6.1 Вывод в ремонт выключателя В10:
1) вывести ОАПВ ВЛ 500 кВ А-Д,
2) вывести ТАПВ (с контролем отсутствия напряжения на линии) выключателей ВЛ 500 кВ А-Д;
3) вывести ОАПВ ВЛ 500 кВ А-Д,
4) вывести ТАПВ выключателя В11,
5) вывести ТАПВ выключателя В12,
7) снять оперативный ток с привода выключателя В10,
8) проверить исправность токовых цепей дифференциальной защиты ошиновки (далее - ДЗОШ) автотрансформатора АТ1,
9) проверить отключенное положение выключателя В10 по месту установки,
10) отключить разъединитель 1Р В10,
11) отключить разъединитель 2Р В10,
12) проверить отсутствие напряжения между разъединителем 2Р В10 и выключателем В10,
14) проверить отсутствие напряжения между разъединителем 1Р В10 и выключателем В10,
16) вывести УРОВ выключателя В10,
17) исключить токовые цепи ТТ выключателя В10 из основных и резервных защит ВЛ 500 кВ А-Д,
18) исключить токовые цепи ТТ выключателя В10 из ДЗОШ автотрансформатора АТ1,
19) проверить исправность токовых цепей ДЗОШ автотрансформатора АТ1,
20) вывести действие ОАПВ на В10,
21) ввести ОАПВ ВЛ 500 кВ А-Д,
22) ввести ТАПВ выключателя В11,
23) ввести ТАПВ выключателя В12;
24) ввести ОАПВ ВЛ 500 кВ А-Д,
25) ввести ТАПВ (с контролем отсутствия напряжения на линии) выключателей ВЛ 500 кВ А-Д.
6.2. Ввод в работу выключателя В10:
1) вывести ОАПВ ВЛ 500 кВ А-Д,
2) вывести ТАПВ (с контролем отсутствия напряжения на линии) выключателей ВЛ 500 кВ А-Д;
3) вывести ОАПВ ВЛ 500 кВ А-Д,
4) вывести ТАПВ выключателя В11,
5) вывести ТАПВ выключателя В12,
6) проверить исправность токовых цепей ДЗОШ автотрансформатора АТ1,
9) проверить отключенное положение выключателя В10 по месту установки,
10) включить разъединитель 1Р В10,
11) включить разъединитель 2Р В10,
12) подключить токовые цепи ТТ выключателя В10 к ДЗОШ автотрансформатора АТ1,
13) подключить токовые цепи ТТ выключателя В10 к основным и резервным защитам ВЛ 500 кВ А-Д,
14) проверить исправность токовых цепей ДЗОШ автотрансформатора АТ1,
15) ввести УРОВ выключателя В10,
16) подать оперативный ток на привод выключателя В10,
18) ввести действие ОАПВ на В10,
19) ввести ОАПВ ВЛ 500 кВ А-Д,
20) ввести ТАПВ выключателя В11,
21) ввести ТАПВ выключателя В12;
22) ввести ОАПВ ВЛ 500 кВ А-Д,
23) ввести ТАПВ (с контролем отсутствия напряжения на линии) выключателей ВЛ 500 кВ А-Д.
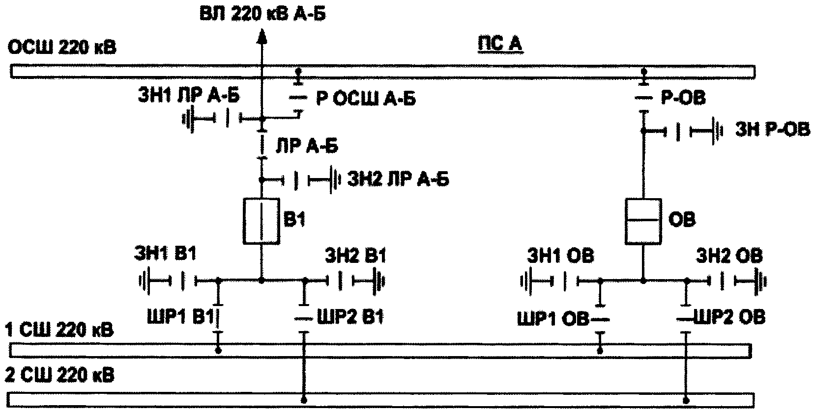
7. Последовательность основных операций при переключениях по выводу в ремонт выключателя ЛЭП с переводом ЛЭП на ОВ.
Схема РУ с двумя рабочими системами шин и обходной системой шин, для которой ниже указана последовательность переключений, приведена на рисунке 5.

Рисунок 5. Схема РУ с двумя рабочими системами шин
и обходной системой шин
7.1. При замене собственного выключателя ЛЭП на ОВ линия включается с комплектом резервных защит ОВ и ВЧ-защитой линии.
При замене собственного выключателя трансформатора на ОВ обходной выключатель включается с полноценными защитами трансформатора.
До начала переключений по переводу выключателя ЛЭП (трансформатора) через ОВ на защитах ОВ должны быть выставлены уставки защит переводимого присоединения.
7.2. Вывод в ремонт выключателя В1 с переводом ВЛ 220 кВ А-Б на ОВ (в исходной схеме отключены обходной выключатель, его шинные и обходной разъединители, заземляющие разъединители, оперативный ток с цепей управления и защит ОВ снят, на защитах ОВ выставлены уставки, соответствующие уставкам защит ВЛ 220 кВ А-Б, выведено АПВ выключателя ОВ):
1) вывести АПВ ВЛ 220 кВ А-Б (с контролем отсутствия напряжения на линии);
4) проверить исправность токовых цепей ДЗШ,
5) проверить отключенное положение выключателя ОВ по месту установки,
6) включить шинный разъединитель ШР1 ОВ,
7) включить разъединитель Р-ОВ,
8) ввести действие ДЗШ на отключение выключателя ОВ,
9) ввести блокировку ДЗШ при включении ОВ,
10) ввести защиты выключателя ОВ для режима "опробование",
11) подать оперативный ток на привод выключателя ОВ,
12) подать оперативный ток цепей питания защит выключателя ОВ,
13) включить выключатель ОВ (опробовать ОСШ 220 кВ),
14) проверить наличие напряжения на ОСШ 220 кВ по щитовым приборам,
16) снять оперативный ток с привода выключателя ОВ,
17) вывести защиты выключателя ОВ для режима "опробование",
18) вывести блокировку ДЗШ при включении ОВ,
19) проверить отключенное положение ОВ по месту установки,
20) включить разъединитель Р ОСШ А-Б,
21) подключить токовые цепи ТТ выключателя ОВ к ДЗШ 1СШ,
22) вывести пуск УРОВ от ВЧ-защиты ВЛ 220 кВ А-Б,
23) вывести ВЧ-защиту ВЛ 220 кВ А-Б,
24) подать оперативный ток на привод выключателя ОВ,
26) проверить распределение нагрузки между выключателями ОВ и В1 по приборам,
28) снять оперативный ток с привода выключателя В1,
29) подключить токовые цепи ТТ выключателя ОВ к ВЧ-защите ВЛ 220 кВ А-Б,
30) отключить токовые цепи ТТ выключателя В1 от ВЧ-защиты ВЛ 220 кВ А-Б,
31) вывести действие ВЧ-защиты ВЛ 220 кВ А-Б на отключение выключателя В1,
32) ввести действие ВЧ-защиты ВЛ 220 кВ А-Б на отключение выключателя ОВ,
33) произвести обмен ВЧ-сигналами по ВЛ 220 кВ А-Б (допускается проверку исправности канала связи ВЧ защиты производить путем одностороннего ручного пуска внеочередной проверки в устройстве автоматической проверки исправности канала ее ВЧ поста);
(пп. 33 в ред. Приказа Минэнерго России от 01.09.2023 N 714)
(см. текст в предыдущей редакции)
34) произвести обмен ВЧ-сигналами по ВЛ 220 кВ А-Б (допускается не выполнять, если проверка исправности канала связи ВЧ защиты производится путем одностороннего ручного запуска внеочередной проверки в устройстве автоматической проверки исправности канала ее ВЧ поста со стороны ПС А);
(пп. 34 в ред. Приказа Минэнерго России от 01.09.2023 N 714)
(см. текст в предыдущей редакции)
35) ввести ВЧ-защиту ВЛ 220 кВ А-Б,
36) ввести пуск УРОВ от ВЧ-защиты ВЛ 220 кВ А-Б,
37) отключить токовые цепи ТТ выключателя В1 от ДЗШ 1СШ,
38) проверить исправность токовых цепей ДЗШ,
39) вывести цепи отключения выключателя В1 от ДЗШ,
40) проверить отключенное положение выключателя В1 по месту установки,
41) отключить линейный разъединитель ЛР А-Б,
42) отключить шинный разъединитель ШР1 В1,
43) проверить отсутствие напряжения между разъединителем ШР1 В1 и выключателем В1,
44) включить заземляющий разъединитель ЗН1 В1 (ЗН2 В1),
45) проверить отсутствие напряжения между разъединителем ЛР А-Б и выключателем В1,
46) включить заземляющий разъединитель ЗН2 ЛР А-Б,
48) ввести АПВ выключателя ОВ;
7.3. Ввод в работу выключателя В1 с переводом ВЛ 220 кВ А-Б с ОВ на собственный выключатель:
2) вывести АПВ выключателя ОВ,
4) проверить исправность токовых цепей ДЗШ,
5) отключить заземляющий разъединитель ЗН2 ЛР А-Б,
6) отключить заземляющий разъединитель ЗН1 В1 (ЗН2 В1),
7) проверить отключенное положение заземляющего разъединителя ЗН2 В1 (ЗН1 В1),
8) проверить отключенное положение выключателя В1 по месту установки,
9) включить шинный разъединитель ШР1 В1,
10) включить линейный разъединитель ЛР А-Б,
11) подключить токовые цепи ТТ выключателя В1 к ДЗШ 1СШ,
12) включить цепи отключения выключателя В1 от ДЗШ,
13) проверить исправность токовых цепей ДЗШ,
14) вывести пуск УРОВ от ВЧ-защиты ВЛ 220 кВ А-Б,
15) вывести ВЧ-защиту ВЛ 220 кВ А-Б,
16) подать оперативный ток на привод выключателя В1,
18) проверить распределение нагрузки между выключателями ОВ и В1 по приборам,
20) снять оперативный ток с привода выключателя ОВ,
21) снять оперативный ток цепей питания защит выключателя ОВ,
22) подключить токовые цепи ТТ выключателя В1 к ВЧ-защите ВЛ 220 кВ А-Б,
23) отключить токовые цепи ТТ выключателя ОВ от ВЧ-защиты ВЛ 220 кВ А-Б,
24) вывести действие ВЧ-защиты ВЛ 220 кВ А-Б на отключение выключателя ОВ,
25) ввести действие ВЧ-защиты ВЛ 220 кВ А-Б на отключение выключателя В1,
26) произвести обмен ВЧ-сигналами по ВЛ 220 кВ А-Б (допускается проверку исправности канала связи ВЧ защиты производить путем одностороннего ручного пуска внеочередной проверки в устройстве автоматической проверки исправности канала ее ВЧ поста);
(пп. 26 в ред. Приказа Минэнерго России от 01.09.2023 N 714)
(см. текст в предыдущей редакции)
27) произвести обмен ВЧ-сигналами по ВЛ 220 кВ (допускается не выполнять, если проверка исправности канала связи ВЧ защиты производится путем одностороннего ручного запуска внеочередной проверки в устройстве автоматической проверки исправности канала ее ВЧ поста со стороны ПС А);
(пп. 27 в ред. Приказа Минэнерго России от 01.09.2023 N 714)
(см. текст в предыдущей редакции)
28) ввести ВЧ-защиту ВЛ 220 кВ А-Б,
29) ввести пуск УРОВ от ВЧ-защиты ВЛ 220 кВ А-Б,
30) отключить токовые цепи выключателя ОВ от ДЗШ 1СШ,
31) проверить исправность токовых цепей ДЗШ,
32) вывести действие ДЗШ на отключение выключателя ОВ,
33) проверить отключенное положение выключателя ОВ по месту установки,
34) отключить разъединитель Р ОСШ А-Б,
35) отключить разъединитель Р-ОВ,
36) отключить шинный разъединитель ШР1 ОВ,
8. Последовательность основных операций при переключениях по выводу в ремонт выключателя присоединения с переводом питания присоединения через ШОВ и по вводу его в работу после ремонта.
Схема РУ с двумя рабочими системами шин и обходной системой шин, для которой ниже указана последовательность переключений, приведена на рисунке 6.

Рисунок 6. Схема РУ с двумя рабочими системами шин
и обходной системой шин
8.1. При замене собственного выключателя ЛЭП на ШОВ линия включается с защитами ОВ и ВЧ-защитой линии.
При замене собственного выключателя трансформатора на ШОВ совмещенный шиносоединительный обходной выключатель включается с защитами трансформатора.
8.2 Вывод в ремонт выключателя В1 с переводом питания ВЛ 220 кВ А-Б через ШОВ с объединением 1СШ 220 кВ и 2СШ 220 кВ включением развилки шинных разъединителей ШОВ (в исходной схеме ШОВ включен в режиме шиносоединительного выключателя, включены ШР1 ШОВ и ШР ШОВ, отключены ШР2 ШОВ и ОР-ШОВ, включен оперативный ток цепей питания защит ШОВ, защиты ШОВ введены, выведено АПВ выключателя ШОВ):
5) перевести ДЗШ в режим с нарушенной фиксацией присоединений,
6) проверить исправность токовых цепей ДЗШ,
7) снять оперативный ток с привода выключателя ШОВ,
8) снять оперативный ток питания защит выключателя ШОВ,
9) проверить включенное положение выключателя ШОВ по месту установки,
10) включить шинный разъединитель ШР2 ШОВ,
11) подать оперативный ток питания защит выключателя ШОВ,
12) подать оперативный ток на привод выключателя ШОВ,
13) отключить выключатель ШОВ,
14) снять оперативный ток с привода выключателя ШОВ,
15) проверить отключенное положение выключателя ШОВ по месту установки,
16) отключить шинный разъединитель перемычки ШР ШОВ,
17) включить обходной разъединитель ОР-ШОВ,
18) ввести блокировку ДЗШ при включении выключателя ШОВ,
19) ввести защиты выключателя ШОВ для режима "опробование",
20) подать оперативный ток на привод выключателя ШОВ,
21) включить выключатель ШОВ (опробовать ОСШ 220 кВ),
22) проверить наличие напряжения на ОСШ 220 кВ по щитовым приборам,
23) отключить выключатель ШОВ,
24) снять оперативный ток с привода выключателя ШОВ,
25) вывести защиты выключателя ШОВ для режима "опробование",
26) вывести блокировку ДЗШ при включении выключателя ШОВ,
27) выставить уставки защит ШОВ для замены выключателя В1,
28) проверить отключенное положение выключателя ШОВ по месту установки,
29) включить обходной разъединитель ОР А-Б,
30) подключить токовые цепи ТТ выключателя ШОВ в ДЗШ для режима включения развилки шинных разъединителей ШОВ,
31) вывести пуск УРОВ от ВЧ-защиты ВЛ 220 кВ А-Б,
32) вывести ВЧ-защиту ВЛ 220 кВ А-Б,
34) проверить распределение нагрузки между выключателями ШОВ и В1 по приборам,
36) снять оперативный ток с привода выключателя В1,
37) подключить токовые цепи ТТ ШОВ к ВЛ 220 кВ А-Б,
38) отключить токовые цепи ТТ В1 ВЧ-защиты ВЛ 220 кВ А-Б,
39) вывести действие ВЧ-защиты ВЛ 220 кВ А-Б на отключение выключателя В1,
40) ввести действие ВЧ-защиты ВЛ 220 кВ А-Б на отключение выключателя ШОВ,
41) произвести обмен ВЧ-сигналами по ВЛ 220 кВ А-Б (допускается проверку исправности канала связи ВЧ основной защиты ЛЭП производить путем одностороннего ручного пуска внеочередной проверки в устройстве автоматической проверки исправности канала ее ВЧ);
(пп. 41 в ред. Приказа Минэнерго России от 01.09.2023 N 714)
(см. текст в предыдущей редакции)
42) произвести обмен ВЧ-сигналами по ВЛ 220 кВ А-Б (допускается не выполнять, если проверка исправности канала связи ВЧ защиты производится путем одностороннего ручного запуска внеочередной проверки в устройстве автоматической проверки исправности канала ее ВЧ поста со стороны ПС А);
(пп. 42 в ред. Приказа Минэнерго России от 01.09.2023 N 714)
(см. текст в предыдущей редакции)
43) ввести ВЧ-защиту ВЛ 220 кВ А-Б,
44) ввести пуск УРОВ от ВЧ-защиты ВЛ 220 кВ А-Б;
45) отключить токовые цепи ТТ В1 от ДЗШ 1СШ,
46) вывести цепи отключения выключателя В1 от ДЗШ,
47) проверить отключенное положение выключателя В1 по месту установки,
48) отключить линейный разъединитель ЛР А-Б,
49) отключить шинный разъединитель ШР1 В1,
50) проверить отсутствие напряжения между шинным разъединителем ШР1 В1 и выключателем В1,
51) включить заземляющий разъединитель ЗН1 В1 (ЗН2 В1),
52) проверить отсутствие напряжения между линейным разъединителем ЛР А-Б и выключателем В1,
53) включить заземляющий разъединитель ЗН2 ЛР А-Б,
54) проверить исправность токовых цепей ДЗШ,
55) ввести АПВ 1СШ 220 кВ (АПВ 2СШ 220 кВ),
56) ввести АПВ выключателя ШОВ;
8.3. Ввод в работу выключателя В1 и перевод ВЛ 220 кВ А-Б с ШОВ на собственный выключатель с включением ШОВ в режиме шиносоединительного выключателя:
2) вывести АПВ 1СШ 220 кВ (АПВ 2СШ 220 кВ),
3) ввести АПВ выключателя ШОВ,
4) проверить исправность токовых цепей ДЗШ,
5) отключить заземляющий разъединитель ЗН2 ЛР А-Б,
6) отключить заземляющий разъединитель ЗН1 В1 (ЗН2 В1),
7) проверить отключенное положение заземляющего разъединителя ЗН2 В1 (ЗН1 В1),
8) проверить отключенное положение выключателя В1 по месту установки,
9) включить шинный разъединитель ШР 1 В1,
10) включить линейный разъединитель ЛР А-Б,
11) подключить токовые цепи ТТ выключателя В1 к ДЗШ,
12) включить цепи отключения выключателя В1 от ДЗШ,
13) вывести пуск УРОВ от ВЧ-защиты ВЛ 220 кВ А-Б,
14) вывести ВЧ-защиту ВЛ 220 кВ А-Б,
15) подать оперативный ток на привод выключателя В1,
17) проверить распределение нагрузки между выключателем ШОВ и выключателем В1,
18) отключить выключатель ШОВ,
19) снять оперативный ток с привода выключателя ШОВ,
20) подключить токовые цепи ТТ выключателя В1 к ВЧ-защите ВЛ 220 кВ А-Б,
21) отключить токовые цепи ТТ выключателя ШОВ от ВЧ-защиты ВЛ 220 В А-Б,
22) вывести действие ВЧ-защиты ВЛ 220 кВ А-Б на отключение выключателя ШОВ,
23) ввести действие ВЧ-защиты ВЛ 220 кВ А-Б на отключение выключателя В1,
24) произвести обмен ВЧ-сигналами по ВЛ 220 кВ А-Б (допускается проверку исправности канала связи ВЧ защиты производить путем одностороннего ручного пуска внеочередной проверки в устройстве автоматической проверки исправности канала ее ВЧ поста);
(пп. 24 в ред. Приказа Минэнерго России от 01.09.2023 N 714)
(см. текст в предыдущей редакции)
25) произвести обмен ВЧ-сигналами по ВЛ 220 кВ А-Б (допускается не выполнять, если проверка исправности канала связи ВЧ защиты производится путем одностороннего ручного запуска внеочередной проверки в устройстве автоматической проверки исправности канала ее ВЧ поста со стороны ПС А);
(пп. 25 в ред. Приказа Минэнерго России от 01.09.2023 N 714)
(см. текст в предыдущей редакции)
26) ввести ВЧ-защиту ВЛ 220 кВ А-Б,
27) подключить токовые цепи ТТ выключателя ШОВ в ДЗШ для режима работы в качестве ШСВ,
28) проверить отключенное положение выключателя ШОВ по месту установки,
29) отключить обходной разъединитель ОР А-Б,
30) отключить обходной разъединитель ОР ШОВ,
31) включить шинный разъединитель перемычки ШР ШОВ,
32) выставить уставки защит выключателя ШОВ для шиносоединительного выключателя,
33) подать оперативный ток на привод выключателя ШОВ,
35) снять оперативный ток с привода выключателя ШОВ,
36) снять оперативный ток питания защит выключателя ШОВ,
37) проверить включенное положение выключателя ШОВ по месту установки,
38) отключить шинный разъединитель ШР2 ШОВ,
39) подать оперативный ток питания защит выключателя ШОВ,
40) подать оперативный ток на привод выключателя ШОВ,
41) проверить исправность токовых цепей ДЗШ,
42) перевести ДЗШ в режим с нормальной фиксацией присоединений,
- Гражданский кодекс (ГК РФ)
- Жилищный кодекс (ЖК РФ)
- Налоговый кодекс (НК РФ)
- Трудовой кодекс (ТК РФ)
- Уголовный кодекс (УК РФ)
- Бюджетный кодекс (БК РФ)
- Арбитражный процессуальный кодекс
- Конституция РФ
- Земельный кодекс (ЗК РФ)
- Лесной кодекс (ЛК РФ)
- Семейный кодекс (СК РФ)
- Уголовно-исполнительный кодекс
- Уголовно-процессуальный кодекс
- Производственный календарь на 2025 год
- МРОТ 2026
- ФЗ «О банкротстве»
- О защите прав потребителей (ЗОЗПП)
- Об исполнительном производстве
- О персональных данных
- О налогах на имущество физических лиц
- О средствах массовой информации
- Производственный календарь на 2026 год
- Федеральный закон "О полиции" N 3-ФЗ
- Расходы организации ПБУ 10/99
- Минимальный размер оплаты труда (МРОТ)
- Календарь бухгалтера на 2026 год
- Частичная мобилизация: обзор новостей
- Постановление Правительства РФ N 1875