к Правилам переключений
в электроустановках
Список изменяющих документов
(в ред. Приказа Минэнерго России от 01.09.2023 N 714)
1. Последовательность операций при производстве переключений по выводу в ремонт и вводу в работу ЛЭП с отпайкой.
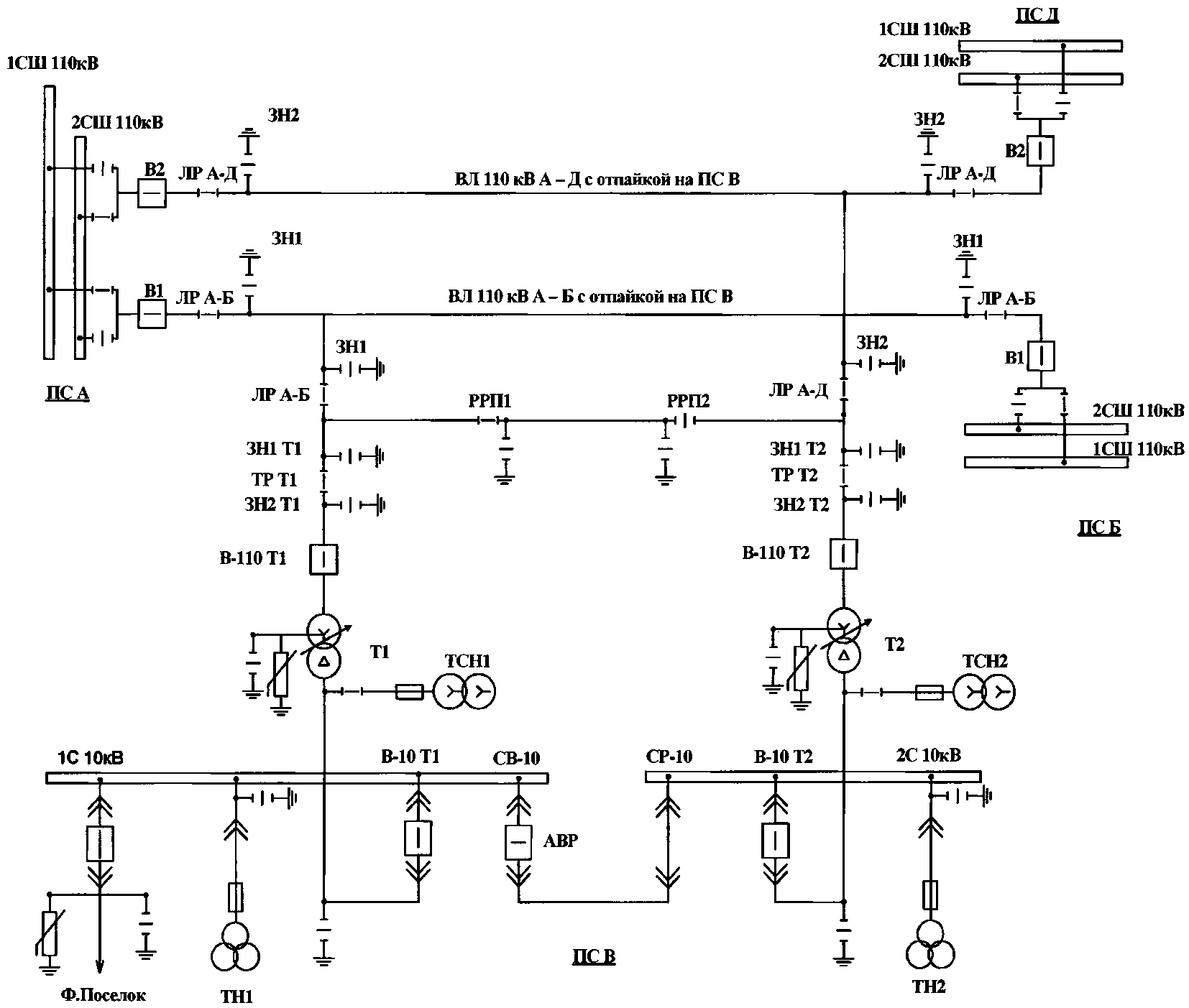
Схема сети напряжением 110 кВ с отпаечной двухтрансформаторной подстанцией, питающейся от двух транзитных линий электропередачи, для которой ниже указана последовательность переключений, приведена на рисунке 1.

Рисунок 1. Схема сети напряжением 110 кВ с отпаечной
двухтрансформаторной подстанцией, питающейся от двух
транзитных линий электропередачи
1.1. Вывод в ремонт ВЛ 110 кВ А-Б с отпайкой на ПС В:
1) перевести питание нагрузки собственных нужд с трансформатора ТСН1 на трансформатор ТСН2,
2) переключить автоматику РПН трансформаторов Т1 и Т2 с автоматического на дистанционное управление,
3) дистанционно перевести РПН трансформатора Т1 в положение, соответствующее коэффициенту трансформации Т2,
5) включить выключатель СВ-10,
6) отключить выключатель В-10 Т1,
7) дистанционно перевести РПН трансформатора Т1 в положение, соответствующее режиму его номинального возбуждения,
8) проверить отсутствие напряжения в нейтрали трансформатора Т1,
9) включить заземляющий разъединитель нейтрали трансформатора Т1,
10) отключить выключатель В-110 Т1 трансформатора Т1,
11) снять оперативный ток с привода выключателя В-110 Т1;
12) отключить выключатель В1 (разорвать транзит по ВЛ 110 кВ А-Б с отпайкой на ПС В),
13) снять оперативный ток с привода выключателя В1;
14) отключить выключатель В1 (снять напряжение с ВЛ 110 кВ А-Б с отпайкой на ПС В),
15) снять оперативный ток с привода выключателя В1;
16) проверить отключенное положение выключателя В1 по месту установки,
17) отключить линейный разъединитель ЛР А-Б,
18) на привод линейного разъединителя ЛР А-Б вывесить плакат "Не включать! Работа на линии";
19) проверить отключенное положение выключателя В1 по месту установки,
20) отключить линейный разъединитель ЛР А-Б,
21) на привод линейного разъединителя ЛР А-Б вывесить плакат "Не включать! Работа на линии";
22) проверить отключенное положение выключателя В-110 Т1 по месту установки,
23) отключить линейный разъединитель ЛР А-Б,
24) на привод линейного разъединителя ЛР А-Б вывесить плакат "Не включать! Работа на линии";
25) проверить отсутствие напряжения на ВЛ 110 кВ А-Б с отпайкой на ПС В,
26) включить заземляющий разъединитель ЗН1 на линейном разъединителе ЛР А-Б;
27) проверить отсутствие напряжения на ВЛ 110 кВ А-Б с отпайкой на ПС В,
28) включить заземляющий разъединитель ЗН1 на линейном разъединителе ЛРА-Б;
29) проверить отсутствие напряжения на ВЛ 110 кВ А-Б с отпайкой на ПС В,
30) включить заземляющий разъединитель ЗН1 на линейном разъединителе ЛР А-Б;
31) на выключателе В2 вывести АПВ (при наличии КОН);
32) на выключателе В2 вывести АПВ (при наличии КОН);
33) включить разъединитель ремонтной перемычки РРП2;
34) на выключателе В2 ввести АПВ (в случае вывода);
35) на выключателе В2 ввести АПВ (в случае вывода);
(в ред. Приказа Минэнерго России от 01.09.2023 N 714)
(см. текст в предыдущей редакции)
36) подать оперативный ток на привод выключателя В-110 Т1,
37) включить выключатель В-110 Т1 трансформатора Т1,
38) отключить заземляющий разъединитель нейтрали трансформатора Т1,
39) дистанционно перевести РПН трансформатора Т1 в положение, соответствующее коэффициенту трансформации Т2,
40) включить выключатель В-10 Т1 трансформатора Т1,
41) отключить выключатель СВ-10,
43) переключить автоматику РПН трансформаторов Т1 и Т2 на автоматическое управление,
44) восстановить нормальную схему питания нагрузки собственных нужд напряжением 0,4 кВ.
1.2 Ввод в работу ВЛ 110 кВ А-Б с отпайкой на ПС В:
1) на выключателе В2 вывести АПВ;
2) на выключателе В2 вывести АПВ;
3) перевести питание нагрузки собственных нужд с трансформатора ТСН1 на трансформатор ТСН2,
4) переключить автоматику РПН трансформаторов Т1 и Т2 с автоматического на дистанционное управление,
5) дистанционно перевести РПН трансформатора Т1 в положение, соответствующее коэффициенту трансформации Т2,
7) включить выключатель СВ-10,
8) отключить выключатель В-10 Т1,
9) дистанционно перевести РПН трансформатора Т1 в положение, соответствующее режиму его номинального возбуждения,
10) проверить отсутствие напряжения в нейтрали трансформатора Т1,
11) включить заземляющий разъединитель нейтрали трансформатора Т1,
12) отключить выключатель В-110 Т1 трансформатора Т1,
13) снять оперативный ток с привода выключателя В-110 Т1,
14) проверить отключенное положение выключателя В-110 Т1 по месту установки,
15) отключить разъединитель ремонтной перемычки РРП2;
16) на выключателе В2 ввести АПВ;
17) на выключателе В2 ввести АПВ;
18) отключить заземляющий разъединитель ЗН1 на линейном разъединителе ЛР А-Б;
19) отключить заземляющий разъединитель ЗН1 на линейном разъединителе ЛР А-Б;
20) отключить заземляющий разъединитель ЗН1 на линейном разъединителе ЛР А-Б;
21) проверить отключенное положение выключателя В1 по месту установки,
22) снять плакат "Не включать! Работа на линии" с привода линейного разъединителя ЛР А-Б,
23) включить линейный разъединитель ЛР А-Б;
24) проверить отключенное положение выключателя В1 по месту установки,
25) снять плакат "Не включать! Работа на линии" с привода линейного разъединителя ЛР А-Б,
26) включить линейный разъединитель ЛР А-Б;
27) проверить отключенное положение выключателя В-110 Т1 по месту установки,
28) снять плакат "Не включать! Работа на линии" с привода линейного разъединителя ЛР А-Б,
29) включить линейный разъединитель ЛР А-Б;
30) подать оперативный ток на привод выключателя В1,
31) включить выключатель В1 (поставить под напряжение ВЛ 110 кВ А-Б с отпайкой на ПС В);
32) подать оперативный ток на привод выключателя В1,
33) с контролем синхронизма включить выключатель В1 (замкнуть в транзит ВЛ 110 кВ А-Б с отпайкой на ПС В);
34) подать оперативный ток на привод выключателя В-110 Т1,
35) включить выключатель В-110 Т1 трансформатора Т1,
36) отключить заземляющий разъединитель нейтрали трансформатора Т1,
37) дистанционно перевести РПН трансформатора Т1 в положение, соответствующее коэффициенту трансформации Т2,
38) включить выключатель В-10 Т1 трансформатора Т1,
39) отключить выключатель СВ-10,
41) переключить автоматику РПН трансформаторов Т1 и Т2 на автоматическое управление,
42) восстановить нормальную схему питания нагрузки собственных нужд напряжением 0,4 кВ.
Для уменьшения времени вывода в ремонт и отсутствия необходимости работы двух трансформаторов на подстанции В допускается отключить линейный разъединитель и включить ЗН1 Т1 до начала производства переключений по выводу в ремонт ВЛ 110 кВ А-Б с отпайкой на ПС В.
2. Последовательность операций при выводе в ремонт ЛЭП с двумя выключателями на присоединение.
Схема подключения ВЛ 750 кВ А-Б, для которой ниже указана последовательность переключений, приведена на рисунке 2.

Рисунок 2. Схема подключения ВЛ 750 кВ А-Б
2.1 Вывод в ремонт ВЛ 750 кВ А-Б с УПАСК ETL-120/130 кГц и комплексом ПА, расположенным на подстанции А:
1) проверить отсутствие сигнала срабатывания КПР в комплексе ПА (при отключении ВЛ 750 кВ А-Б),
4) проверить в комплексе ПА фиксацию факта отключения ВЛ 750 кВ А-Б,
5) зафиксировать ремонт ВЛ 750 кВ А-Б в устройстве ФОЛ,
6) снять оперативный ток с привода выключателя В1,
7) снять оперативный ток с привода выключателя В2;
8) вывести приемник ETL-130 кГц ВЛ 750 кВ А-Б по всем выходным цепям (при условии установки ПЗ после ВЧЗ);
(в ред. Приказа Минэнерго России от 01.09.2023 N 714)
(см. текст в предыдущей редакции)
11) зафиксировать ремонт ВЛ 750 кВ А-Б в устройстве ФОЛ,
12) снять оперативный ток с привода выключателя В1,
13) снять оперативный ток с привода выключателя В2;
14) вывести приемник ETL-120 кГц ВЛ 750 кВ А-Б по всем выходным цепям (при условии установки ПЗ после ВЧЗ);
15) проверить отключенное положение выключателя В1 по месту установки,
16) отключить линейный разъединитель ЛР В1,
17) на привод линейного разъединителя ЛР В1 вывесить плакат "Не включать! Работа на линии",
18) проверить отключенное положение выключателя В2 по месту установки,
19) отключить линейный разъединитель ЛР В2,
20) на привод линейного разъединителя ЛР В2 вывесить плакат "Не включать! Работа на линии",
21) отключить ТН1 Л1 по стороне низкого напряжения,
22) отключить ТН2 Л1 по стороне низкого напряжения;
23) проверить отключенное положение выключателя В1 по месту установки,
24) отключить линейный разъединитель ЛР В1,
25) на привод линейного разъединителя ЛР В1 вывесить плакат "Не включать! Работа на линии",
26) проверить отключенное положение выключателя В2 по месту установки,
27) отключить линейный разъединитель ЛР В2,
28) на привод линейного разъединителя ЛР В2 вывесить плакат "Не включать! Работа на линии",
29) отключить ТН1 Л1 по стороне низкого напряжения,
30) отключить ТН2 Л1 по стороне низкого напряжения,
31) проверить отсутствие напряжения на ВЛ 750 кВ А-Б,
32) включить заземляющий разъединитель ЗН ЛР В1 в сторону ВЛ (ЗН ЛР В2 в сторону ВЛ);
33) проверить отсутствие напряжения на ВЛ 750 кВ А-Б,
34) включить заземляющий разъединитель ЗН ЛР В1 в сторону ВЛ (ЗН ЛР В2 в сторону ВЛ).
2.2 Ввод в работу ВЛ 750 кВ А-Б:
1) с предварительной проверкой исправности ввести в работу приемник ETL-350 кГц ВЛ 750 кВ А-Б по всем выходным цепям,
2) отключить заземляющий разъединитель ЗН ЛР В1 в сторону ВЛ (ЗН ЛР В2 в сторону ВЛ),
3) проверить отключенное положение заземляющего разъединителя ЗН ЛР В2 в сторону ВЛ (ЗН ЛР В1 в сторону ВЛ);
4) с проверкой исправности ввести в работу приемник ETL-120 кГц ВЛ 750 кВ А-Б по всем выходным цепям,
5) отключить заземляющий разъединитель ЗН ЛР В1 в сторону ВЛ (ЗН ЛР В2 в сторону ВЛ),
6) проверить отключенное положение заземляющего разъединителя ЗН ЛР В2 в сторону ВЛ (ЗН ЛР В1 в сторону ВЛ),
7) включить ТН1 Л1 по стороне низкого напряжения,
8) включить ТН2 Л1 по стороне низкого напряжения,
9) с привода линейного разъединителя ЛР В1 снять плакат "Не включать! Работа на линии",
10) проверить отключенное положение выключателя В1 по месту установки,
11) включить линейный разъединитель ЛР В1,
12) с привода линейного разъединителя ЛР В2 снять плакат "Не включать! Работа на линии",
13) проверить отключенное положение выключателя В2 по месту установки,
14) включить линейный разъединитель ЛР В2;
15) включить ТН1 Л1 по стороне низкого напряжения,
16) включить ТН2 Л1 по стороне низкого напряжения,
17) с привода линейного разъединителя ЛР В1 снять плакат "Не включать! Работа на линии",
18) проверить отключенное положение выключателя В1 по месту установки,
19) включить линейный разъединитель ЛР В1,
20) с привода линейного разъединителя ЛР В2 снять плакат "Не включать! Работа на линии",
21) проверить отключенное положение выключателя В2 по месту установки,
22) включить линейный разъединитель ЛР В2,
23) подать оперативный ток на привод выключателя В1,
24) подать оперативный ток на привод выключателя В2,
25) расфиксировать ремонт ВЛ 750 кВ А-Б в устройстве ФОЛ;
26) подать оперативный ток на привод выключателя В1,
27) подать оперативный ток на привод выключателя В2,
28) расфиксировать ремонт ВЛ 750 кВ А-Б в устройстве ФОЛ;
29) ввести устройство полуавтоматического включения на выключателе В1;
31) проверить, что автоматически включился выключатель В1,
32) вывести устройство полуавтоматического включения на выключателе В1;
34) проверить факт фиксации включения в работу ВЛ 750 кВ А-Б в комплексе ПА;
3. Последовательность основных операций при выводе в ремонт ЛЭП, исключающая феррорезонанс на ТН в электроустановках с полуторной схемой исполнения РУ (рисунок 3) с последующим включением выключателей ЛЭП (замыкание поля) на электростанции Г:
(в ред. Приказа Минэнерго России от 01.09.2023 N 714)
(см. текст в предыдущей редакции)
3.1 Вывод в ремонт ВЛ 330 кВ Г-Б совместно с выключателями В1 и В2 на ПС 330 кВ Б:
2) снять оперативный ток с привода выключателя В10,
4) снять оперативный ток с привода выключателя В11;

Рисунок 3. Схема подключения ВЛ 330 кВ Г-Б
6) снять оперативный ток с привода выключателя В1,
8) снять оперативный ток с привода выключателя В2,
9) вывести АПВ 1СШ 330 кВ и 2СШ 330 кВ,
10) проверить отключенное положение выключателя В1 по месту установки;
11) отключить линейный разъединитель ЛР В1,
12) на привод линейного разъединителя ЛР В1 вывесить плакат "Не включать! Работа на линии",
13) проверить исправность токовых цепей ДЗШ 1СШ 330 кВ,
14) отключить шинный разъединитель ШР В1,
15) проверить отключенное положение выключателя В2 по месту установки,
16) отключить линейный разъединитель ЛР В2,
17) на привод линейного разъединителя ЛР В2 вывесить плакат "Не включать! Работа на линии",
18) проверить исправность токовых цепей ДЗШ 2СШ 330 кВ,
19) отключить шинный разъединитель ШР В2,
20) отключить ТН Л1 по стороне низкого напряжения;
21) проверить отключенное положение выключателя В10 по месту установки,
22) отключить разъединитель 1Р В10,
23) проверить отключенное положение выключателя В11 по месту установки,
24) отключить разъединитель 2Р В11,
25) отключить линейный разъединитель ЛР Л1,
26) на привод линейного разъединителя ЛР Л1 вывесить плакат "Не включать! Работа на линии",
27) проверить отсутствие напряжения на ВЛ 330 кВ Г-Б,
28) включить заземляющий разъединитель ЗН Л1 на линейном разъединителе ЛР Л1;
29) проверить отсутствие напряжения на ВЛ 330 кВ Г-Б,
30) включить заземляющий разъединитель ЗН ЛР В1 в сторону ВЛ (ЗН ЛР В2 в сторону ВЛ),
31) проверить отсутствие напряжения между шинным разъединителем ШР В1 и выключателем В1,
32) включить заземляющий разъединитель ЗН2 В1,
33) проверить отсутствие напряжения между линейным разъединителем ЛР В1 и выключателем В1,
34) включить заземляющий разъединитель ЗН1 В1,
35) проверить отсутствие напряжения между шинным разъединителем ШР В2 и выключателем В2,
36) включить заземляющий разъединитель ЗН2 В2,
37) проверить отсутствие напряжения между линейным разъединителем ЛР В2 и выключателем В2,
38) включить заземляющий разъединитель ЗН1 В2,
39) ввести АПВ 1СШ 330 кВ и 2СШ 330 кВ;
40) подать оперативный ток на привод выключателя В11,
42) с деблокированием оперативной блокировки включить разъединитель 2Р В11,
43) включить разъединитель 1Р В10,
44) подать оперативный ток на привод выключателя В10,
3.2. Ввод в работу ВЛ 330 кВ Г-Б совместно с выключателями В1 и В2 на ПС 330 кВ Б:
1) отключить заземляющий разъединитель ЗН1 В1,
2) отключить заземляющий разъединитель ЗН2 В1,
3) отключить заземляющий разъединитель ЗН1 В2,
4) отключить заземляющий разъединитель ЗН2 В2,
5) отключить заземляющий разъединитель ЗН ЛР В1 в сторону ВЛ (ЗН ЛР В2 в сторону ВЛ),
6) проверить отключенное положение заземляющего разъединителя ЗН ЛР В2 в сторону ВЛ (ЗН ЛР В1 в сторону ВЛ);
7) отключить заземляющий разъединитель ЗН Л1 на линейном разъединителе ЛР Л1,
9) снять оперативный ток с привода выключателя В10,
10) проверить отключенное положение выключателя В10 по месту установки,
11) отключить разъединитель 1Р В10,
12) с деблокированием оперативной блокировки отключить разъединитель 2Р В11,
13) отключить выключатель В11,
14) снять оперативный ток с выключателя В11,
15) снять плакат "Не включать! Работа на линии" с привода линейного разъединителя ЛР Л1,
16) включить линейный разъединитель ЛР Л1,
17) проверить отключенное положение выключателя В11 по месту установки,
18) включить разъединитель 2Р В11,
19) проверить отключенное положение выключателя В10 по месту установки,
20) включить разъединитель 1Р В10;
21) вывести АПВ 1СШ 330 кВ и 2СШ 330 кВ,
22) с привода линейного разъединителя ЛР В1 снять плакат "Не включать! Работа на линии",
23) проверить отключенное положение выключателя В1 по месту установки,
24) проверить исправность токовых цепей ДЗШ 1СШ 330 кВ,
25) включить шинный разъединитель ШР В1,
26) включить линейный разъединитель ЛР В1,
27) с привода линейного разъединителя ЛР В2 снять плакат "Не включать! Работа на линии",
28) проверить отключенное положение выключателя В2 по месту установки,
29) проверить исправность токовых цепей ДЗШ 2СШ 330 кВ,
30) включить шинный разъединитель ШР В2,
31) включить линейный разъединитель ЛР В2,
32) включить ТН Л1 по стороне низкого напряжения,
33) подать оперативный ток на привод выключателя В1,
34) подать оперативный ток на привод выключателя В2,
35) включить выключатель В1 (подать напряжение на ВЛ 330 кВ Г-Б),
37) ввести АПВ 1СШ 330 кВ и 2СШ 330 кВ;
38) подать оперативный ток на привод выключателя В11,
39) подать оперативный ток на привод выключателя В10,
40) включить с контролем синхронизма выключатель В11 (замкнуть "в транзит" ВЛ 330 кВ Г-Б),
Допускается изменение порядка отключения (включения) трансформаторных и шинных разъединителей высшего, среднего и низшего классов напряжения при выводе из работы (вводе в работу) трансформатора (автотрансформатора), не имеющего собственного выключателя или подключенного к РУ, выполненному по полуторной схеме, схеме треугольника, четырехугольника и иным подобным схемам.
(абзац введен Приказом Минэнерго России от 01.09.2023 N 714)
4. Последовательность операций при выводе в ремонт ЛЭП посредством дистанционного управления из диспетчерского центра с последующим включением выключателей ЛЭП (замыкание поля) на подстанции Б.
Схема подключения ВЛ 750 кВ А-Б, для которой ниже указана последовательность операций, приведена на рисунке 3-1. На ПС А и ПС Б осуществляется дистанционное управление коммутационными аппаратами и заземляющими разъединителями ЛЭП из диспетчерского центра.
Рисунок 3-1. Схема подключения ВЛ 750 кВ А-Б
4.1. Вывод в ремонт ВЛ 750 кВ А-Б с УПАСК ETL-120/130 кГц:
Выполняется диспетчерским персоналом:
5) отключить линейный разъединитель ЛР ВЛ,
6) в АРМ диспетчерского персонала на линейный разъединитель ЛР ВЛ установить знак плаката "Не включать! Работа на линии";
7) отключить линейный разъединитель ЛР В1,
8) в АРМ диспетчерского персонала на линейный разъединитель ЛР В1 установить знак плаката "Не включать! Работа на линии",
9) отключить линейный разъединитель ЛР В2,
10) в АРМ диспетчерского персонала на линейный разъединитель ЛР В2 установить знак плаката "Не включать! Работа на линии",
11) в АРМ диспетчерского персонала проверить отсутствие напряжения на ВЛ 750 кВ А-Б,
12) включить заземляющий разъединитель ЗН ЛР В1 в сторону ВЛ (ЗН ЛР В2 в сторону ВЛ);
13) в АРМ диспетчерского персонала проверить отсутствие напряжения на ВЛ 750 кВ А-Б,
14) включить заземляющий разъединитель ЗН ЛР ВЛ в сторону ВЛ,
Выполняется оперативным персоналом:
17) зафиксировать ремонт ВЛ 750 кВ А-Б в устройстве ФОЛ,
18) вывести приемник ETL-130 кГц ВЛ 750 кВ А-Б по всем выходным цепям (при условии установке ПЗ после ВЧЗ в сторону ВЛ),
19) в АРМ ПС на линейный разъединитель ЛР В1 установить знак плаката "Не включать! Работа на линии" (при наличии технической возможности знак устанавливается из диспетчерского центра в АРМ ПС),
20) в АРМ ПС на линейный разъединитель ЛР В2 установить знак плаката "Не включать! Работа на линии" (при наличии технической возможности знак устанавливается из диспетчерского центра в АРМ ПС),
21) отключить ТН1 Л1 по стороне низкого напряжения,
22) отключить ТН2 Л1 по стороне низкого напряжения,
23) на привод линейного разъединителя ЛР В1 вывесить плакат "Не включать! Работа на линии",
24) на привод линейного разъединителя ЛР В2 вывесить плакат "Не включать! Работа на линии";
25) зафиксировать ремонт ВЛ 750 кВ А-Б в устройстве ФОЛ,
26) вывести приемник ETL-120 кГц ВЛ 750 кВ А-Б по всем выходным цепям (при условии установки ПЗ после ВЧЗ в сторону ВЛ),
27) вывести ДФЗ ВЛ 750 кВ А-Б,
30) в АРМ ПС на линейный разъединитель ЛР ВЛ установить знак плаката "Не включать! Работа на линии" (при наличии технической возможности знак устанавливается из диспетчерского центра в АРМ ПС),
31) отключить ТН1 Л1 по стороне низкого напряжения,
32) на привод линейного разъединителя ЛР ВЛ вывесить плакат "Не включать! Работа на линии".
4.2. Ввод в работу ВЛ 750 кВ А-Б:
Выполняется оперативным персоналом:
1) с привода линейного разъединителя ЛР В1 снять плакат "Не включать! Работа на линии",
2) с привода линейного разъединителя ЛР В2 снять плакат "Не включать! Работа на линии",
3) включить ТН1 Л1 по стороне низкого напряжения,
4) включить ТН2 Л1 по стороне низкого напряжения,
5) в АРМ ПС с привода линейного разъединителя ЛР В1 снять знак плаката "Не включать! Работа на линии" (при наличии технической возможности знак снимается из диспетчерского центра в АРМ ПС),
6) в АРМ ПС с привода линейного разъединителя ЛР В2 снять знак плаката "Не включать! Работа на линии" (при наличии технической возможности знак снимается из диспетчерского центра в АРМ ПС),
7) с предварительной проверкой исправности ввести в работу приемник ETL-130 кГц ВЛ 750 кВ А-Б по всем выходным цепям (выполняется при выводе УПАСК),
8) расфиксировать ремонт ВЛ 750 кВ А-Б в устройстве ФОЛ;
9) с привода линейного разъединителя ЛР ВЛ снять плакат "Не включать! Работа на линии",
10) включить ТН1 Л1 по стороне низкого напряжения,
11) в АРМ ПС с привода линейного разъединителя ЛР ВЛ снять знак плаката "Не включать! Работа на линии" (при наличии технической возможности знак снимается из диспетчерского центра в АРМ ПС),
12) с проверкой исправности ввести в работу приемник ETL-120 кГц ВЛ 750 кВ А-Б по всем выходным цепям (выполняется при выводе УПАСК),
16) расфиксировать ремонт ВЛ 750 кВ А-Б в устройстве ФОЛ;
Выполняется диспетчерским персоналом:
17) отключить заземляющий разъединитель ЗН ЛР ВЛ в сторону ВЛ,
20) отключить заземляющий разъединитель ЗН ЛР В1 в сторону ВЛ (ЗН ЛР В2 в сторону ВЛ),
21) проверить отключенное положение заземляющего разъединителя ЗН ЛР В2 в сторону ВЛ (ЗН ЛР В1 в сторону ВЛ),
22) в АРМ диспетчерского персонала с привода линейного разъединителя ЛР В1 снять знак плаката "Не включать! Работа на линии",
23) включить линейный разъединитель ЛР В1,
24) в АРМ диспетчерского персонала с привода линейного разъединителя ЛР В2 снять знак плаката "Не включать! Работа на линии",
25) включить линейный разъединитель ЛР В2;
26) в АРМ с линейного разъединителя ЛР ВЛ снять знак плаката "Не включать! Работа на линии",
27) включить линейный разъединитель ЛР ВЛ,
(п. 4 введен Приказом Минэнерго России от 01.09.2023 N 714)
- Гражданский кодекс (ГК РФ)
- Жилищный кодекс (ЖК РФ)
- Налоговый кодекс (НК РФ)
- Трудовой кодекс (ТК РФ)
- Уголовный кодекс (УК РФ)
- Бюджетный кодекс (БК РФ)
- Арбитражный процессуальный кодекс
- Конституция РФ
- Земельный кодекс (ЗК РФ)
- Лесной кодекс (ЛК РФ)
- Семейный кодекс (СК РФ)
- Уголовно-исполнительный кодекс
- Уголовно-процессуальный кодекс
- Производственный календарь на 2025 год
- МРОТ 2025
- ФЗ «О банкротстве»
- О защите прав потребителей (ЗОЗПП)
- Об исполнительном производстве
- О персональных данных
- О налогах на имущество физических лиц
- О средствах массовой информации
- Производственный календарь на 2026 год
- Федеральный закон "О полиции" N 3-ФЗ
- Расходы организации ПБУ 10/99
- Минимальный размер оплаты труда (МРОТ)
- Календарь бухгалтера на 2025 год
- Частичная мобилизация: обзор новостей
- Постановление Правительства РФ N 1875
