Таблица 4.26 - Перечень материалов и изделий, предназначенных для изготовления ключеулавливателя

Таблица 4.26 - Перечень материалов и изделий,

предназначенных для изготовления ключеулавливателя

Наименование

Сечение или диаметр, мм

Объем элемента, м3

Длина, мм

Масса элемента, кг

Количество, шт.

Общий объем, м3

Общая масса, кг

1

Труба (гильза)

80 x 4

-

976

8,0

1

-

8,0

2

Лист

95 x 4

-

95

0,28

1

-

0,28

3

Лист

40 x 4

-

170

0,21

1

-

0,21

4

Лист

40 x 4

-

125

0,16

2

-

0,32

5

Лист

25 x 4

-

40

0,03

2

-

0,06

6

Лист (крышка)

125 x 4

-

220

0,86

1

-

0,86

7

Лист (перегородка)

50 x 4

-

80

0,13

1

-

0,13

8

Винт М10

10

-

25

-

4

-

-

9

Гайка

10

-

-

-

4

-

-

10

Шайба

-

-

-

-

4

-

-

Рисунок 222

1 - труба; 2 Рисунок 223 7 - лист; 8 Рисунок 224 10 - крепежные элементы

Рисунок 4.32 - Ключеулавливатель

Замки специальные (рисунки 4.33 - 4.35) предназначены для запирания деревянных и металлических дверей с толщиной полотна до 60 мм. В зависимости от назначения различают проходные замки, устанавливаемые на проходных дверях коридоров, и, камерные, устанавливаемые на дверях камер СИЗО (тюрем), ПКТ и ШИЗО.

В комплект поставки замков специальных входят: корпус замка, планка запорная, накладка, ключи, крепежные изделия.

Рисунок 225

а) замок проходной левый ЗП-Л;

б) замок проходной правый ЗП-П;

в) замок камерный левый ЗК-Л;

г) замок камерный левый ЗК-П

Рисунок 4.33 - Типы специальных замков

Рисунок 226

1 - корпус замка ЗП-П; 2 - планка запорная; 3 - накладка;

4 - шуруп 3 x 20; 5 - болт М 10 x 120; 6 - дверная коробка;

7 - полотно двери; 8 - шуруп 3 x 50

Рисунок 4.34 - Монтаж замка проходного правого ЗП-П

Рисунок 227

1 - планка запорная; 2 - корпус замка ЗК-Л;

3 - дверная коробка; 4 - болт М 10 x 120;

5 - полотно двери; 6 - шуруп 3 x 50

Рисунок 4.35 - Монтаж замка камерного левого

Замок форточный ЗФ-3 (рисунок 4.36) предназначен для запирания створки окна для подачи пищи, устраиваемого в деревянных и металлических камерных дверях СИЗО (тюрем), ПКТ и ШИЗО.

В комплект поставки замка форточного входят: корпус замка, щеколда, штырь с амортизатором, ключ, крепежные изделия.

Рисунок 228

1 - полотно двери; 2 - болт М6 x 80; 3 - корпус замка;

4 - ключ; 5 - щеколда; 6 - створка окна;

7 - штырь с амортизатором

Рисунок 4.36 - Монтаж замка форточного ЗФ-3

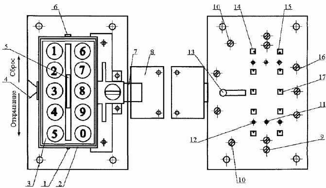
Замок кодовый механический (рисунок 4.37) предназначен для установки на дверях служебных помещений с целью ограничения беспрепятственного доступа в помещение в период рабочего времени, а также может быть использован в качестве датчика для блокировки этих помещений в нерабочее время.

Комплект поставки: замок с крышкой шифратора, планка запорная, крепежные изделия.

Рисунок 229

1 - винт крепления облицовки; 2 - облицовка;

3 - наружная панель с кнопками;

4 - электроконтакт для подключения проводов охранной

сигнализации; 5 - движок; 6 - пружина сброса;

7 - защелка; 8 - планка запорная;

9 - винты крепления механизма толкателя;

10 - винты крепления рычага и пружины возврата защелки;

11 - винты крепления крышки шифратора;

12 - винты крепления механизма замка;

13 - ручка для открывания замка изнутри помещения;

14 - шток закодирован (вариант 1);

15 - шток закодирован (вариант 2);

16 - винты крепления электроконтакта;

17 - шток не закодирован

Рисунок 4.37 - Замок кодовый механический

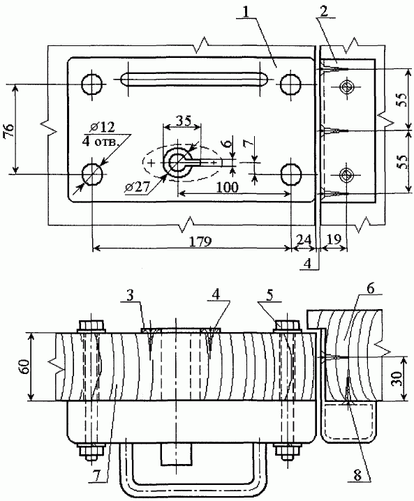
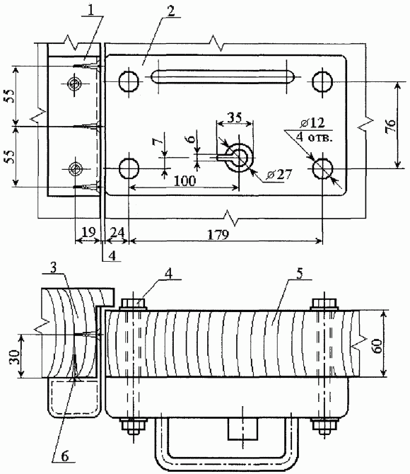
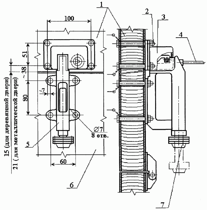
Электромагнитное запорное устройство (рисунок 4.38) предназначено для запирания дверей проходного коридора КПП.

Рисунок 230

1 - тяга; 2 - пружина; 3 - накладка; 4 - корпус;

5 - защелка; 6 - кожух; 7 - уголок;

8, 9 - тяга ручного открывания; 10 - якорь электромагнита

Рисунок 4.38 - Электромагнитное запорное устройство

для дверей

Запор-защелка (рисунок 4.39) устанавливается на калитке (двери) для входа на площадку построения караула и двери караульного помещения.

Рисунок 231

1 - подвижный шток с ручкой; 2 - пружина; 3 - труба;

4 - заглушка; 5 - пластина основания

Рисунок 4.39 - Запор-защелка