Оценка соблюдения обязательных требований, содержащихся в данном документе, привлечение к административной ответственности за их несоблюдение допускаются до 1 марта 2026 года (Постановление Правительства РФ от 31.12.2020 N 2467).

Приложение N 14

к Правилам

(пп. 4.59 - 4.189)

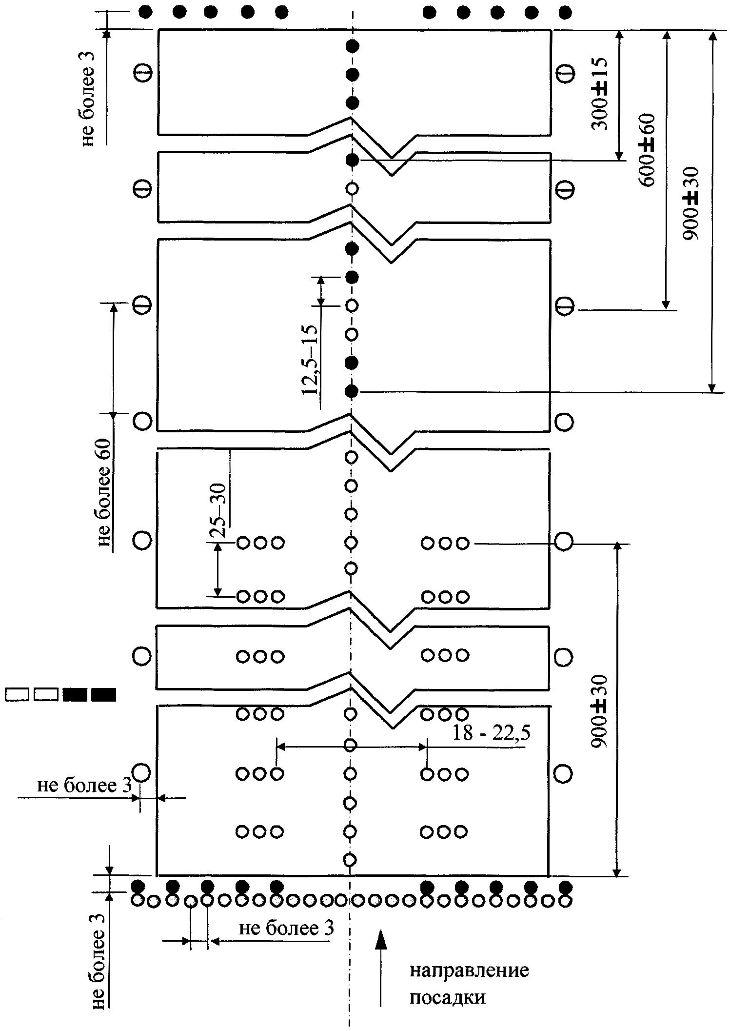
Рисунок 114

Условные обозначения:

Рисунок 115

- огонь приближения и светового горизонта, белый;

Рисунок 116

- линейный огонь приближения, белый.

Рисунок 1. Схемы расположения огней

приближения системы ОМИ, с протяженностью линии огней

центрального ряда, равной 420 м, и уменьшенной

шириной светового горизонта

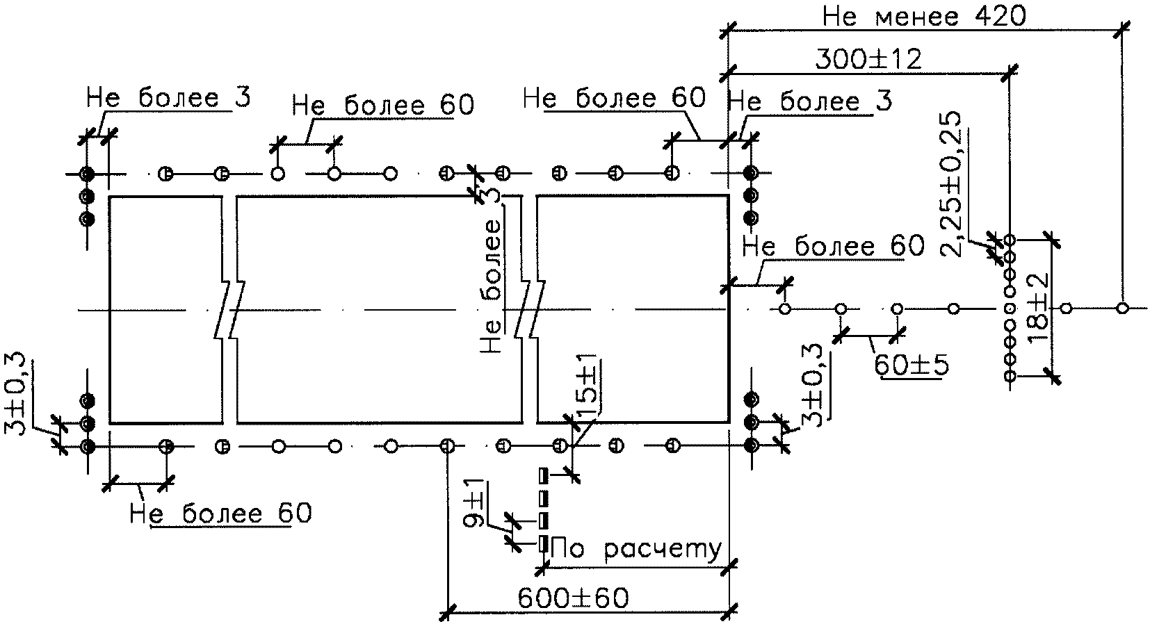
Рисунок 117

Условные обозначения:

Рисунок 118

- огонь приближения и светового горизонта, белый;

Рисунок 119

- линейный огонь приближения, белый.

Рисунок 2. Схемы расположения огней приближения

системы ОМИ с протяженностью линии огней центрального ряда,

равной 900 м

Рисунок 120

Условные обозначения

Рисунок 121

- огонь приближения, посадочный огонь ВПП кругового обзора, белый;

Рисунок 122

- посадочный огонь ВПП на последних 600 м кругового обзора, желтый, белый;

Рисунок 123

- входной ограничительный огонь кругового обзора, зеленый, красный;

Рисунок 124

- глиссадный огонь.

Рисунок 3. Схема расположения огней ВПП системы ОМИ

Рисунок 125

Рисунок 126

- посадочный огонь, белый-желтый;

Рисунок 127

- входной-посадочный огонь, зеленый-желтый;

Рисунок 128

- посадочный огонь, красный-желтый;

Рисунок 129

- огонь светового горизонта, белый (с половинной заглушкой);

Рисунок 130

- огонь приближения, красный (с половинной заглушкой);

Рисунок 131

- ограничительный огонь, красный (с половинной заглушкой);

Рисунок 132

- входной фланговый огонь, зеленый (с половинной заглушкой);

Рисунок 133

- огонь приближения и посадочный ВПП, белый.

Рисунок 4. Схема расположения огней системы ОМИ

при смещенном пороге ВПП

Рисунок 134

Условные обозначения:

Рисунок 135

- линейный огонь приближения, белый;

Рисунок 136

- огонь светового горизонта, белый.

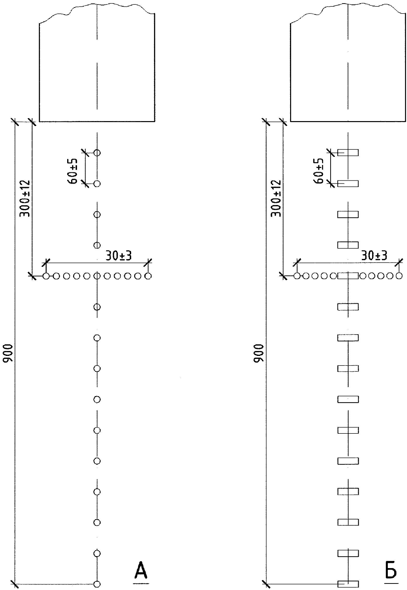
Рисунок 5. Схема расположения огней приближения системы

ОВИ-I с интервалом 30 м (по центральному ряду)

Рисунок 137

Условные обозначения:

Рисунок 138

- огонь приближения и световых горизонтов, белый.

Рисунок 6. Схема расположения огней приближения

системы ОВИ-I (с интервалом 30 м) с дополнительными

световыми горизонтами

Рисунок 139

Условные обозначения:

Рисунок 140

- входной огонь ВПП, зеленый;

Рисунок 141

- ограничительный огонь ВПП, красный;

Рисунок 142

- боковой огонь ВПП, белый;

Рисунок 143

- боковой огонь ВПП, желтый-белый;

Рисунок 144

- система ПАПИ.

Рисунок 7. Схема расположения огней ВПП системы ОВИ-I

с группами входных огней ВПП и системой РАРИ

Рисунок 145

Условные обозначения:

Рисунок 146

- линейный огонь приближения, белый;

Рисунок 147

- огонь световых горизонтов, огонь зоны приземления, осевой огонь ВПП, белый;

Рисунок 148

- входной огонь ВПП, углубленный однонаправленный зеленый;

Рисунок 149

- фланговый входной огонь, зеленый;

Рисунок 150

- боковой огонь ВПП, белый;

Рисунок 151

- боковой огонь ВПП, белый-желтый;

Рисунок 152

- боковой огонь ВПП, красный-желтый;

Рисунок 153

- боковой огонь ВПП, желтый с половинной заглушки;

Рисунок 154

- боковой огонь приближения, красный;

Рисунок 155

- ограничительный огонь ВПП, однонаправленный красный.

Рисунок 8. Схема расположения огней ВПП системы ОВИ-I

при смещенном пороге ВПП

Рисунок 156

Условные обозначения:

Рисунок 157

- линейный огонь приближения, белый;

Рисунок 158

- огонь светового горизонта, белый;

Рисунок 159

- боковой огонь приближения, красный.

(по центральному ряду).

Рисунок 9. Схема расположения огней приближения системы

ОВИ-II и ОВИ-III с интервалом 30 м

Рисунок 160

Условные обозначения:

Рисунок 161

- огонь приближения и световых горизонтов, белый;

Рисунок 162

- боковой огонь приближения, красный.

Рисунок 10. Схема расположения огней

приближения систем ОВИ-II и ОВИ-III с интервалом 30 м

(с дополнительными световыми горизонтами)

Рисунок 163

Условные обозначения:

Рисунок 164

- входной огонь ВПП, зеленый;

Рисунок 165

- ограничительный огонь ВПП, осевой огонь ВПП, красный;

Рисунок 166

- огонь зоны приземления, осевой огонь ВПП, белый;

Рисунок 167

- боковой огонь ВПП, белый;

Рисунок 168

- боковой огонь ВПП, желтый-белый;

Рисунок 169

- система ПАПИ.

Рисунок 11. Схема расположения огней ВПП систем ОВИ-II

и ОВИ-III с системой РАРИ с левой стороны ВПП

Рисунок 170

Условные обозначения:

Рисунок 171

- линейный огонь приближения, белый;

Рисунок 172

- огонь световых горизонтов, огонь зоны приземления, осевой огонь ВПП, белый;

Рисунок 173

- входной огонь ВПП, углубленный однонаправленный зеленый;

Рисунок 174

- фланговый входной огонь, зеленый;

Рисунок 175

- боковой огонь ВПП, белый;

Рисунок 176

- боковой огонь ВПП, белый-желтый;

Рисунок 177

- боковой огонь ВПП, красный-желтый;

Рисунок 178

- боковой огонь ВПП, желтый с половинной заглушки;

Рисунок 179

- боковой огонь приближения, красный;

Рисунок 180

- ограничительный огонь ВПП, однонаправленный красный.

Рисунок 12. Схема расположения огней систем ОВИ-II

и ОВИ-III (по центральному ряду) при смещенном пороге ВПП

Рисунок 181

Рисунок 13. Огни указателя РД быстрого схода с ВПП

Рисунок 182

Рисунок 14. Расположение систем РАРИ и APAPI

Рисунок 183

Рисунок 15. Углы возвышения огней в системах PAPI и APAPI

(для углов наклона глиссады 2° - 4°)