к главе 1 Технических условий
размещения и крепления грузов
(к пункту 12.9)
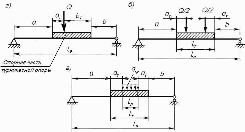
1. Расчет изгибающего момента в раме платформы, возникающего при размещении груза с применением турникета, производят с учетом конструктивных параметров турникетных опор, особенностей их установки на платформу, характера передачи нагрузки от груза на турникетную опору (сосредоточенная или распределенная).
2. В настоящем приложении приняты следующие обозначения величин:
Q = Qгр / 2 - вертикальная сосредоточенная сила, с которой груз действует на турникетную опору, т;
qгр = Q / lр - равномерно распределенная нагрузка от груза на турникетную опору, т/м;
lр - длина участка приложения равномерно распределенной нагрузки (вдоль вагона), м;
Qто - масса турникетной опоры, т;
lт - длина опорной части турникетной опоры (вдоль вагона), м;
a, b - расстояния от шкворневых сечений платформы до крайних точек опорной части турникетной опоры (для схемы, приведенной на рисунке П 4.2 - до середины подкладок), м;
lп - длина между осями поперечных подкладок опорной части турникетной опоры, м;
aт, bт - расстояния от крайних точек опорной части турникетной опоры до точек приложения нагрузки на турникетную опору, м.
3. Возможные варианты передачи вертикальной нагрузки от груза на опорную часть турникетной опоры описаны схемами, приведенными на рисунке П 4.1.
4. При установке турникетной опоры на двух поперечных подкладках, расположенных симметрично относительно опоры, изгибающий момент в раме платформы определяют в соответствии с расчетной схемой, приведенной на рисунке П 4.2, независимо от характера передачи нагрузки от груза на опорную часть турникетной опоры.
Величину максимального изгибающего момента в раме платформы определяют по формуле:
где P = (Q + Qто) / 2, или P = (qгр lр + Qто) / 2 (2)
5. При установке турникетной опоры на платформу без применения подкладок (всей площадью опорной части) расчетную схему нагружения выбирают в зависимости от жесткости C основания турникетной опоры (таблица П 4.1). Жесткость основания турникетной опоры определяет разработчик турникета.
|
Длина опорной части турникетной опоры (вдоль платформы), lт, м |
Длина опорной части турникетной опоры (вдоль платформы), lт, м |
||||
5.1. Если жесткость основания турникетной опоры больше или равна первой граничной жесткости (C >= C1), изгибающий момент независимо от схемы нагружения самой опорной части турникетной опоры определяют в соответствии с расчетной схемой, приведенной на рисунке П 4.3.
Величину максимального изгибающего момента в раме платформы определяют по формуле:
Нагрузку P от турникетной опоры с грузом определяют по формуле (2).
5.2. Если C1 > C >= C2, изгибающий момент независимо от схемы нагружения самой опорной части турникетной опоры определяют в соответствии с расчетной схемой, приведенной на рисунке П 4.4.
Величину максимального изгибающего момента в раме платформы определяют по формуле:
Нагрузку P от турникетной опоры с грузом определяют по формуле (2).
5.3. Если C < C2, величину максимального изгибающего момента в раме платформы определяют по формуле:
Величину изгибающего момента M1 определяют от воздействия груза условно непосредственно на раму платформы (без учета турникетной опоры) по соответствующей схеме из числа приведенных на рисунке П 4.1 по формулам:
- для схемы, приведенной на рисунке П 4.1а:
- для схемы, приведенной на рисунке П 4.1б:
- для схемы, приведенной на рисунке П 4.1в:
Величину изгибающего момента M2 определяют от воздействия турникетной опоры (без учета массы груза), равномерно распределенного по длине ее опорной части, в соответствии с расчетной схемой, приведенной на рисунке П 4.4, по формуле:
где qто = Qто / lт - равномерно распределенная нагрузка от массы турникетной опоры, тс/м.
- Гражданский кодекс (ГК РФ)
- Жилищный кодекс (ЖК РФ)
- Налоговый кодекс (НК РФ)
- Трудовой кодекс (ТК РФ)
- Уголовный кодекс (УК РФ)
- Бюджетный кодекс (БК РФ)
- Арбитражный процессуальный кодекс
- Конституция РФ
- Земельный кодекс (ЗК РФ)
- Лесной кодекс (ЛК РФ)
- Семейный кодекс (СК РФ)
- Уголовно-исполнительный кодекс
- Уголовно-процессуальный кодекс
- Производственный календарь на 2025 год
- МРОТ 2025
- ФЗ «О банкротстве»
- О защите прав потребителей (ЗОЗПП)
- Об исполнительном производстве
- О персональных данных
- О налогах на имущество физических лиц
- О средствах массовой информации
- Производственный календарь на 2026 год
- Федеральный закон "О полиции" N 3-ФЗ
- Расходы организации ПБУ 10/99
- Минимальный размер оплаты труда (МРОТ)
- Календарь бухгалтера на 2025 год
- Частичная мобилизация: обзор новостей
- Постановление Правительства РФ N 1875


, (1)
(3)
, (4)
; (6)
; (7)
(8)
, (9)