2.1. Стыковое соединение с прямым швом.
Допускаемое усилие для соединения при:
где
,
- допускаемые напряжения для сварного шва соответственно при растяжении и сжатии, кгс/см2;
l, S - ширина и толщина соединяемых деталей, мм.
При расчете прочности все виды подготовки кромок в стыковых соединениях принимают равноценными.
2.2. Стыковое соединение с косым швом.
Допускаемое усилие для соединения при:
при
соединение равнопрочно целому сечению.
Соединения выполняют угловым швом. В зависимости от направления шва относительно направления действующих сил угловые швы называют лобовыми (рисунок П 1.7а), фланговыми (рисунок П 1.7б), косыми (рисунок П 1.7в) и комбинированными (рисунок П 1.7г).
Максимальную длину лобового и косого швов не ограничивают. Длину фланговых швов следует принимать не более 60К, где К - величина катета шва (мм). Минимальная длина углового шва 30 мм; при меньшей длине дефекты в начале и конце шва значительно снижают его прочность. Минимальный катет углового шва Кmin принимают равным 3 мм, если толщина металла S >= 3 мм.
Допускаемое усилие для соединения
где
- допускаемое напряжение для сварного шва на срез, кгс/см2;
L - периметр угловых швов, мм:
- для комбинированных швов L = 2l1 + 1.
2.4. Соединение несимметричных элементов.
Усилия, передаваемые на швы 1 и 2, находят из уравнения статики:
где
- допускаемое напряжение для сварного шва на срез, кгс/см2;
Допускается увеличение l2 до размера l1.
2.5. Тавровое соединение, обеспечивающее лучшую передачу усилий.
где
,
- допускаемые напряжения для сварного шва соответственно при растяжении, сжатии, кгс/см2;
l, S - ширина и толщина пристыкованных деталей, мм.
2.6. Допускаемые напряжения для сварных швов.
Допускаемые напряжения для сварных швов принимают в соответствии с таблицей П1.1 в зависимости от допускаемых напряжений, принятых для основного металла.
Допускаемые напряжения для сварных швов
- допускаемое напряжение при растяжении для основного металла
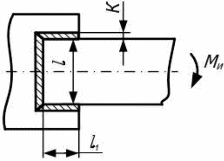
2.7. Расчет сварных соединений, на которые действует изгибающий момент Ми и продольная сила P.
2.7.1. Стыковое соединение, выполненное угловым швом (рисунок П 1.10)
Условие прочности сварного соединения:
где Ми - изгибающий момент, кгс/см2;
W - момент сопротивления сечения детали при изгибе, см3:
- для односторонних сварных швов без скоса кромки (Т1 по ГОСТ 5264)
- для односторонних со скосом кромки (Т2 по ГОСТ 5264) и двусторонних сварных швов (Т3, Т5 - Т9 по ГОСТ 5264)
F - площадь сечения детали, см2;
Пример 1. Расчет сварных швов крепления упора кассеты составной подкладки, применяемой при размещении и креплении рельсов длиной 25 м на сцепе платформ, от действия поперечной инерционной силы.
Две составные подкладки с закрепленным грузом установлены поперек платформы и охватывают своими упорами боковые балки платформы. Кассета каждой из двух подкладок нагружена силой
кгс, направленной вдоль оси кассеты и перпендикулярно плоскости упора (рисунок П1.10а).
Так как линии действия силы P и равной ей реакции боковой балки платформы не совпадают, сварные швы нагружены растягивающей нагрузкой P и изгибающим моментом Ми, действующими в плоскости, перпендикулярной плоскости расположения сварных швов. Материал кассеты - сталь 3. Упор кассеты приварен к вертикальным стенкам кассеты четырьмя стыковыми сварными швами Т1 по ГОСТ 5264 (тавровый односторонний без скоса кромок) длиной l = 120 мм.
Тогда в соответствии с пунктом 2.7.1
Ми = R * h = 15320,5 (12,0 / 2 + 2,25 + 5,0) = 202997 кгс * см
F = 4 * 1 * 0,7К = 4 * 12 * 0,7 * 0,8 = 26,9 см2,
В соответствии с таблицей П 1.1 допускаемые напряжения для сварного шва равны:
где 1650 кгс/см2 - допускаемое напряжение при растяжении для основного металла деталей упора (сталь 3) (таблица 33 главы 1).
Напряжения в сварных швах не превышают допускаемое значение.
2.7.2. Нахлесточное соединение, выполненное угловым швом (рисунок П 1.11)
Условие прочности сварного соединения:
Wс = 0.7К * l2 / 6; Fс = 0,7К * l.
2.7.3. Нахлесточное соединение, выполненное несколькими угловыми швами (рисунок П 1.12).
При расчете принимают, что изгибающий момент Ми уравновешивается парой сил в горизонтальных швах и моментом защемления вертикального шва:
Условие прочности сварного соединения:
Если момент Ми и допускаемое напряжение
заданы, то из полученного уравнения следует определить l, l1 и K, задавшись остальными геометрическими параметрами.
Пример 2. Определение несущей способности продольного упора, установленного в стоечную скобу платформы.
Упор приварен к грузу двумя угловыми швами катетом 8 мм длиной 200 мм. Упор вставлен в стоечную скобу платформы и нагружен продольной инерционной силой
(рисунок П 1.12а). Материал упора - сталь 3. Требуется определить значение
, исходя из параметров упора, сварных швов (рисунок П 1.12а) и допускаемых напряжений в сварных швах.
Сварные швы нагружены сдвигающей силой
и изгибающим моментом Ми = P * h, действующими в плоскости расположения сварных швов.
Касательные напряжения в сварных швах не должны превышать допускаемое значение:
В соответствии с таблицей П1.1 при ручной сварке электродами Э42
Таким образом, рассмотренный упор может обеспечить компенсацию
не более 3999 кгс.
- Гражданский кодекс (ГК РФ)
- Жилищный кодекс (ЖК РФ)
- Налоговый кодекс (НК РФ)
- Трудовой кодекс (ТК РФ)
- Уголовный кодекс (УК РФ)
- Бюджетный кодекс (БК РФ)
- Арбитражный процессуальный кодекс
- Конституция РФ
- Земельный кодекс (ЗК РФ)
- Лесной кодекс (ЛК РФ)
- Семейный кодекс (СК РФ)
- Уголовно-исполнительный кодекс
- Уголовно-процессуальный кодекс
- Производственный календарь на 2025 год
- МРОТ 2025
- ФЗ «О банкротстве»
- О защите прав потребителей (ЗОЗПП)
- Об исполнительном производстве
- О персональных данных
- О налогах на имущество физических лиц
- О средствах массовой информации
- Производственный календарь на 2026 год
- Федеральный закон "О полиции" N 3-ФЗ
- Расходы организации ПБУ 10/99
- Минимальный размер оплаты труда (МРОТ)
- Календарь бухгалтера на 2025 год
- Частичная мобилизация: обзор новостей
- Постановление Правительства РФ N 1875

;
,
;
,
,
;
;
,
;
,




,
,
; 

,
,
,
.
;
.
, откуда